參數相近的AM103026MM-EM-R與HMC374,為什么推薦使用AM103026MM-EM-R?
2019-11-25 15:01:02
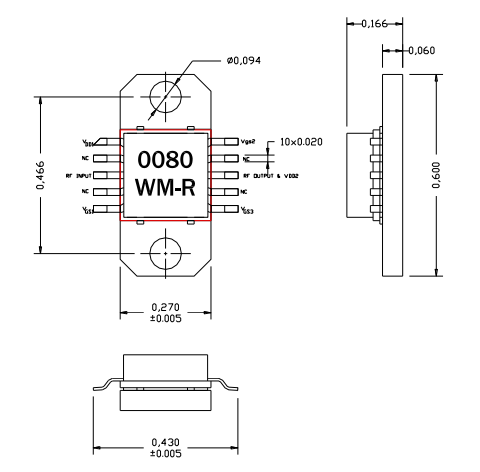
HMC374是ADI的基礎寬頻寬低躁聲圖像電壓放大器(LNA),概率廣泛采用在0.3至3.0 GHz。 并選擇+2.75V至5.5V單正開關電源時,LNA帶來15 dB增加收益,1.5 dB躁聲彈性常數。該元件有低躁聲彈性常數、高P1dB (22 dBm)和高OIP3 (37 dBm),著實實用蜂窩廣泛采用。家用suv型LNA籌劃并選擇面對可相同增加收益和躁聲彈性常數功能的片內相符合。 以便使板實用空間超小,籌劃并選擇低本金SOT26封口,占地實用空間僅為0.118” x 0.118”。HMC374適廣泛采用在蜂窩/PCS/3G、WCS, MMDS 和ISM 、不變手機無線網絡和WLAN和專用陸上挪動手機無線網絡電等廣泛采用本質特征,不需間接相符合