制造行業知識
發布的用時:2019-12-24 13:59:45 查詢:1837
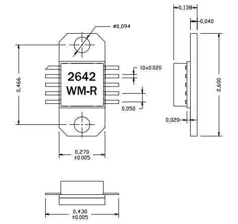
AM264240WM-EM-R是(shi)AMCOM的砷化鎵HiFET MMIC功(gong)率放(fang)大器系(xi)列(lie)的一部分。這是(shi)兩(liang)個階段(duan)GaAs-HIFET-PHEMT-MMIC功(gong)率放(fang)大器。AM264240WM-EM-R在輸入(ru)和(he)輸出端都與50歐(ou)姆完全匹配,覆蓋2.6歐(ou)姆至4.2GHz。它有(you)20dB的(de)(de)增益和(he)40dBm的(de)(de)14V輸出功率(lv)射頻(pin)和(he)直(zhi)流引線(xian)位于(yu)封裝的(de)(de)較低層(ceng),以(yi)便于(yu)將(jiang)低成本的(de)(de)SMT組裝到PC板上。因為(wei)直(zhi)流電功率(lv)大散(san)熱(re),我們強烈建議將(jiang)這些設備(bei)直(zhi)接安(an)裝在金屬散(san)熱(re)片上。AM264240WMFM-R是安(an)裝在鍍金銅法蘭(lan)托架上的(de)(de)AM264240WM-BM-R。EM包有(you)相(xiang)同的(de)(de)封裝外形(xing)為(wei)FM封裝,采用直(zhi)引線(xian)和(he)銅/鎢法蘭(lan)代替銅法蘭(lan)是法蘭(lan)上的(de)(de)兩個螺孔(kong),便于(yu)擰(ning)到金屬散(san)熱(re)器(qi)上。這個MMIC是符合RoHS的(de)(de)。

AM264240WM-EM-R應用軟件
PCS稍微蜂窩信號塔
GPS軟(ruan)件應(ying)用
WiMAX
WLL
10V–15VAPP
AM264240WM-EM-R極(ji)為重(zhong)要技術指(zhi)標
聲音頻率:2.6-4.2GHz
收(shou)獲:20
P1dB(DBM):39
PSAT(DBM):40
有效率(lv):35
VD(V):14
蘇州市立維創(chuang)展網(wang)絡(luo)是AMCOM工(gong)司總批發(fa)商(shang),其核心徽波(bo)聯通(tong)寬帶(dai)物(wu)料收錄rf射頻晶胞管、MMIC工(gong)作效(xiao)率變(bian)(bian)大(da)器(qi)、混雜變(bian)(bian)大(da)器(qi)接口、光纖寬帶(dai)變(bian)(bian)大(da)器(qi)、高工(gong)作效(xiao)率變(bian)(bian)大(da)器(qi)接口、帶(dai)RF和(he)DC對接器(qi)的高電馬力放(fang)縮器(qi)傳感器(qi)和低噪音(yin)分貝放(fang)縮器(qi),電馬力放(fang)縮器(qi),開關按鈕,衰減器(qi),移相器(qi)及及上/接下來交流伺服的(de)來樣加(jia)工(gong)。