行業內資迅
上傳(chuan)期限(xian):2019-12-24 14:09:04 挑選:1876
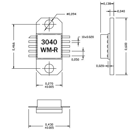
AM304031WM-EM-R是(shi)AMCOM的(de)砷化鎵MMIC功率放大器系列的(de)一部分(fen)。它有(you)31分(fen)貝的(de)增益和(he)(he)31在(zai)(zai)2.6到4.8GHz頻帶上(shang)的(de)dBm飽和(he)(he)輸出功率。這(zhe)個(ge)MMIC是(shi)一個(ge)陶瓷封裝(zhuang)(zhuang),射頻和(he)(he)直流都有(you)在(zai)(zai)較(jiao)低(di)層次的(de)封裝(zhuang)(zhuang),以促進低(di)成(cheng)本的(de)SMT組裝(zhuang)(zhuang)到PC板(ban)。由于(yu)高直流功耗,我們建議將這(zhe)些(xie)設備直接(jie)安(an)裝(zhuang)(zhuang)在(zai)(zai)金屬散(san)熱器上(shang)。AM304031WM-FM-R是(shi)AM304031WM-BM-R安(an)裝(zhuang)(zhuang)在(zai)(zai)鍍(du)金銅法蘭(lan)托架上(shang)。法蘭(lan)上(shang)有(you)兩個(ge)螺孔便于(yu)擰上(shang)金屬散(san)熱器。AM304031WM-EM-R有(you)一個(ge)CuW法蘭(lan),是(shi)正在(zai)(zai)逐(zhu)步淘汰的(de)AM304031WM-FM-R。這(zhe)個(ge)MMIC是(shi)符(fu)合RoHS的(de)。

AM304031WM-EM-R適用(yong)
wlan車連網接入(ru)使用
無線(xian)路由(you)本地網(wang)環(huan)路
寬帶網有線接通(BWA)
AM304031WM-EM-R根本(ben)技術參(can)數(shu)
的頻(pin)率:2.6-4.6GHz
收獲:31
P1dB(DBM):32
PSAT(DBM):32.5
吸收率:25
VD(V):8
山東市(shi)立維(wei)創(chuang)(chuang)展創(chuang)(chuang)新科技是AMCOM集團總代銷商,其常見(jian)微波通信(xin)光纖寬帶(dai)護膚品還包括(kuo)微波射頻晶胞管、MMIC熱(re)效(xiao)率(lv)變(bian)大器(qi)(qi)、分層變(bian)大器(qi)(qi)信(xin)息電源模塊、光纖寬帶(dai)變(bian)大器(qi)(qi)、高熱(re)效(xiao)率(lv)變(bian)大器(qi)(qi)信(xin)息電源模塊、帶(dai)RF和DC聯接器(qi)(qi)的高馬力放(fang)縮器(qi)(qi)功能和低噪音源(yuan)放(fang)縮器(qi)(qi),馬力放(fang)縮器(qi)(qi),觸點(dian)開(kai)關,衰(shuai)減(jian)器(qi)(qi),移相器(qi)(qi)以其上/后(hou)面(mian)直流伺服控制器的(de)私人訂制。