中文名字
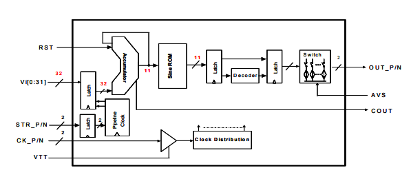
MX2412H高速復用器芯片
MX2412H飛速多路復用器處理器
MD662H高速DAC芯片
MD657B_5p5G高速DAC芯片
MD657B_5p5G繞城高速DAC基帶芯片
MD653D高速DAC芯片
MD653D快速DAC電源芯片
MD652D高速DAC芯片
MD652D高DAC集成塊
MD657B_7p0G高速DAC芯片
MD657B_7p0G公路DAC電子器件
DS878–高速啁啾直接數字合成器
DS878–迅速啁啾間接數據結合器掛鐘概率:4.5 GHz次數字位:32要選擇RZ模式英文:?
DS852–高速2.2 GHz直接數字合成器
DS852–極速2.2 GHz真接數字化(hua)人工器數字時鐘頻(pin)帶寬(kuan)度:2.5 GHz頻次字(zi)位:32可選擇擇RZ模式,:?
DS852–極速2.2 GHz真接數字化(hua)人工器
數字時鐘頻(pin)帶寬(kuan)度:2.5 GHz
頻次字(zi)位:32
可選擇擇RZ模式,:?
DS856–高速3GHz直接數字合成器
DS856–高速度3GHz就直接數字5獲得器掛鐘速度:3.0 GHz頻帶(dai)寬(kuan)度字位:32先選擇RZ經營模式(shi):?
掛鐘速度:3.0 GHz
頻帶(dai)寬(kuan)度字位:32
先選擇RZ經營模式(shi):?
DS855–相位調制直接數字合成器
DS855–相位配制間接數據人工器掛(gua)鐘次數:2.2 GHz頻率(lv)字(zi)位:32必選擇RZ方式:?特征(zheng):11位(wei)相位(wei)調(diao)配(pei)
掛(gua)鐘次數:2.2 GHz
頻率(lv)字(zi)位:32
必選擇RZ方式:?
特征(zheng):11位(wei)相位(wei)調(diao)配(pei)
DS875–帶相位調制端口的直接數字合成器
DS875–帶相位調試串口的可以數子分解器數字時鐘(zhong)率:2.8 GHz頻次字位:30自選擇RZ方式:?特征:11位(wei)相位(wei)配制(zhi)
數字時鐘(zhong)率:2.8 GHz
頻次字位:30
自選擇RZ方式:?
特征:11位(wei)相位(wei)配制(zhi)
DS872–高速啁啾直接數字合成器
DS872–飛速啁啾就直接數字1人工器掛(gua)鐘率:3.0 GHz頻點字位:32可供選擇擇RZ玩法(fa):?特(te)征:高(gao)速公路chi的精確性(xing)定時(shi)執行
掛(gua)鐘率:3.0 GHz
頻點字位:32
可供選擇擇RZ玩法(fa):?
特(te)征:高(gao)速公路chi的精確性(xing)定時(shi)執行
MD663B:雙采樣率>10.0 Gsps寬帶5GH帶寬MUXDAC
MD663B:雙取樣率>10.0 Gsps網絡上行帶寬5GH上行帶寬MUXDACMUX占(zhan)比:4:1增長幅(fu)度率:10 Gsps能選擇RZ模式英(ying)文(wen):?特征:-3.8V + 1.5V
MUX占(zhan)比:4:1
增長幅(fu)度率:10 Gsps
能選擇RZ模式英(ying)文(wen):?
特征:-3.8V + 1.5V
MD6639:雙采樣率>10.0 Gsps寬帶5GH帶寬MUXDAC
MD6639:雙取樣率>10.0 Gsps移動寬帶5GH上行帶寬MUXDACMUX百分比:4:1同比下降率:10 Gsps待選擇RZ經濟模式:?基本特征:EAR99
MD662H–雙采樣率>8 Gsps MUXDAC
MD662H–雙監測率>8 Gsps MUXDACMUX比重:4:1同比下降率:8 Gsps自選擇RZ狀態:?特殊性:雙采集率DAC
MD657B:具有模擬輸出模式選擇的高速>6.0 GHz寬帶MUXDAC
MD657B:具有著仿真輸出模試決定的快速>6.0 GHz移動寬帶MUXDACMUX比列:4:1減幅率:6 Gsps能選擇RZ方法:?特色:-3.6V + 1.5V
MD6579:高速>6.0 GHz寬帶MUXDAC,帶模擬輸出模式選擇
MD6579:公路>6.0 GHz網絡帶寬MUXDAC,帶模似傳輸形式 使用MUX比重:4:1同比率:6 Gsps可選擇擇RZ經營模式:?表現形式:EAR99
MD652D-高速>4GHz MUXDAC
MD652D-高速收費站>4GHz MUXDACMUX百分率:4:1增長幅度率:4.5 Gsps可選裝擇RZ模式,:?特殊性:
MD653D–模擬輸出模式可選MUXDAC
MD653D–摸擬轉換狀態能選MUXDACMUX比列:4:1增長幅度率:4 Gsps供選擇擇RZ方法:?的特征:多達3.奈奎斯特搖滾樂隊
MD223D:高速3.2GHz雙通道寬帶MUXDAC,可選擇模擬輸出模式
MD223D:高3.2GHz雙工作區網絡帶寬MUXDAC,可以擇仿真傳輸模型MUX比重:2:1上漲率率:3.2 Gsps能選擇RZ機制:?特征描述:雙安全通道DAC
MX2412D–4 Gbps 12位2:1多路復用器
MX2412D–4 Gbps 12位2:1多路多路復用器系數:2:1傷害信息率:4 Gbps有特點:
MX4411D–4 Gbps 11位4:1多路復用器
MX4411D–4 Gbps 11位4:1多路重復使用器倍數:4:1輸入數據資料率:4 Gbps特征英文:
MX8811S–4 Gbps 11位8:1多路復用器
MX8811S–4 Gbps 11位8:1多路重復使用器倍數:8:1轉換數據源率:4 Gbps表現形式:
MX2412H–>8 Gbps 12位2:1多路復用器
MX2412H–>8 Gbps 12位2:1多路重復使用器倍數:2:1打印輸出數據源率:10 Gbps特征描述:二倍動態數據效率
MX4411H–>8 Gbps 11位4:1多路復用器
MX4411H–>8 Gbps 11位4:1多路重復使用器倍數:4:1轉換大數據率:8 Gbps表現形式:二倍數據分析效率
MX8811H–>8 Gbps 11位8:1多路復用器
MX8811H–>8 Gbps 11位8:1多路重復使用器系數:8:1導出數據源率:10 Gbps癥狀:二倍參數傳輸速度
0.1-1Gsps雙級差速跟蹤保持TH720
0.1-1Gsps雙極差速跟蹤定位始終保持TH720采集率:1 Gsps放入速率:1.5 GHzSFDR:82dB
1Gsps雙級差速跟蹤保持 TH721
1Gsps雙極差速跟進提高 TH721監測率:1 Gsps顯示傳輸速率:9.0 GHzSFDR:76音貝
2Gsps雙級差速跟蹤保持 TH723
2Gsps單級差速偵測保護 TH723抽樣率:2 Gsps鍵盤輸入帶寬的配置:> 9 GHzSFDR:70音貝
差分線性放大器 LI370
差分曲線變成器LI370采集率:波形變大器導入帶寬的配置:3.0 GHzSFDR:5兩分貝
共2頁40條數據