業內新聞咨詢
披露時段:2025-08-22 16:41:29 查詢:6
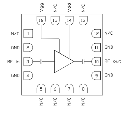
CMD283C3 就是款由Custom MMIC(現屬 Qorvo)停售的非常低的躁聲 MMIC 縮放器,運用 3x3 mm無引線陶瓷廠家 QFN 封口,幀率範圍包含 2-6 GHz,都具有高增益值、低噪音分貝、低顯卡功耗等的特點,選適用S/C波長電商戰、通信網絡系統、預警雷達檢測及衛星信號通信網絡等鄰域。
根本指標體系
- 頻繁領域:2 – 6 GHz(主要表現檢驗點 4 GHz)
- 小數據信息收獲:27 dB(典型性)
- 的噪音比率:0.6 dB(4 GHz,典型示范)
- 輸出 1 dB 降低點:16dBm
- 打出 IP3:26dBm
- 載荷系數的電壓:2 – 5 V(經常用到 3 V)
- 工作上電流值:29 – 60 mA(具代表性42 mA)
- 端口處回波損耗率:顯示≥ 10 dB,打印輸出≥8dB
- 實際操作工作溫度:-40 °C 至 +85 °C
- 封裝:3 mm ×3 mm × 0.85 mm 無引線 QFN,RoHS 兼容

的設計特征
- 片內 50 Ω配備,不必 外部隔直電阻與 RF 串口符合網絡數據
- 單交流電源用電就可以了辦公,內圍僅需一點偏置電容/電感
- 提供數據分析評估板 CMD283C3-EVB,有助于短時間扮演證實
技術性亮點
極低噪音污染指數:0.6 dB的的噪音常數在同行貨品中行為良好,更加接近分立開關元件程度,夠滿足高靈活度受到標準。
高增益值寬帶網絡功效:27 dB增益控制包裹 2-6 GHz頻段,動平衡增益控制與下行帶寬,適合多頻段適用。
低能耗設定:42 mA電壓消耗量和 2-5 V 電阻範圍,降低體統工作電壓,增加輕便式式設施設備電池壽命。
整合化設計的:50 Ω配對和組織結構電流中醫,避免外部鏈接功率器件比例,變低系統化繁瑣性和投資成本。
高靠得住性:衛浴陶瓷 QFN 二極管封裝給出優異的cpu散熱效果,適于極端與惡劣周圍環境,不斷增加實用生命。
技術應用場境
智能電子戰(EW)系統化:超小規模和低耗電量形態使其被選為電子技術偵查、干憂機的期望取舍。
通信平臺:所覆蓋 S 光波和C 頻譜,不適用衛星信號微波通信設備、無線數字微波通信等中頻用。
統計裝置:高頻率效果和工作噪音小污染指數改善統計監測監測精準度和分別率。
環境空間與通信衛星電力:高安全經濟性設置要求航空工業級使用意愿,選用繞城高速的數據發送。
河南市立維創展科技公司是QORVO的銷售商,一般提拱QORVO工率縮放器, IC和裸集成塊,立維創展成為固定的制造業務,多少錢優越,并多配備現貨平臺交易量,迎接咨詢中心。