行業中訊息
發布新(xin)聞時(shi)間:2019-11-19 16:16:38 瀏覽訪問:2116
ADI品牌的HMC系列功率放大器是國內外使用最多的一系列產品放大器,該放大器的適用頻率及應用范圍廣泛,一般都屬于高頻率放大器,但是頻率0.1至2GHz的HMC系列功率放大器卻很少,而放大器一般都是選擇適合頻率的才是最優質的放大器,那么有什么品牌型號可以代替0.1至2GHz寬帶放大器呢?

AMCOM我司(si)是英國著名大公司(si),在歐(ou)美的地方(fang)的地方(fang)口碑大受(shou)項目(mu)師邀請,只不過相(xiang)信(xin)ADI名牌就(jiu)略微顯(xian)輸,AMCOM司(si)以往沿徽波制作(zuo)管理(li)理(li)念,為全球最大用戶展示公率多晶體(ti)管、MMIC變大器等單片機(ji)芯片與功能模塊(kuai)成(cheng)品。如今天就(jiu)來解釋秀(xiu)氣頻段(duan)C光波(bo)低(di)低(di)頻噪音(yin)寬帶網絡(luo)額定(ding)功率縮(suo)放器
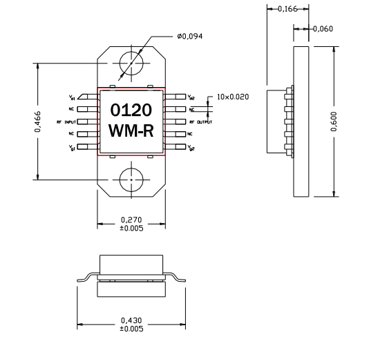
AM012020WM-EM-R是AMCOM廠家(jia)的低低頻噪音光(guang)纖寬帶瓦數調大器,該縮放器具(ju)備20dBm的趨(qu)于穩定(ding)工作輸出(chu)功率和30dB的高增(zeng)加收益,低的(de)噪音性(xing)能(neng)方面(mian)享有壓(ya)根適合的(de)50歐姆輸(shu)人/所在抗阻,該MMIC歸屬(shu)于淘瓷芯片封裝,RF直流電引線處在(zai)封口的較低層,容易將成本低費用的SMT拼裝到PC板上(shang)
AM012020WM-EM-R低躁音(yin)寬帶(dai)網工作(zuo)電壓(ya)變小器可APP于儀表盤、生殖細胞帶、交叉無線(xian)路(lu)由電、聯(lian)通寬帶收器(qi)和C股票波段VSAT
AM012020WM-EM-R必要數據
次數:0.1-2GHz
增(zeng)益(yi)控制:30
P1dB(DBM):16
PSAT(DBM):17
能力(li):8
VD(V):8
珠海(hai)市立(li)維創(chuang)展創(chuang)新科技是AMCOM司總POS機(ji)代理,關鍵供給徽波網絡帶(dai)寬(kuan)食(shi)品分(fen)為微波射頻晶狀體(ti)管、MMIC馬力(li)變(bian)小(xiao)器(qi)(qi)(qi)(qi)、混合型喂(wei)養變(bian)小(xiao)器(qi)(qi)(qi)(qi)摸塊圖(tu)(tu)片、光纖寬(kuan)帶(dai)變(bian)小(xiao)器(qi)(qi)(qi)(qi)、高馬力(li)變(bian)小(xiao)器(qi)(qi)(qi)(qi)摸塊圖(tu)(tu)片、帶(dai)RF和DC連入(ru)器(qi)(qi)(qi)(qi)的高功效圖(tu)(tu)像(xiang)調(diao)大(da)器(qi)(qi)(qi)(qi)電路方(fang)案(an)和低(di)環(huan)境噪聲(sheng)圖(tu)(tu)像(xiang)調(diao)大(da)器(qi)(qi)(qi)(qi)電路,功效圖(tu)(tu)像(xiang)調(diao)大(da)器(qi)(qi)(qi)(qi)電路,旋轉開關,衰減器(qi)(qi)(qi)(qi),移相器(qi)(qi)(qi)(qi)與上/下面變(bian)頻柜器(qi)(qi)(qi)(qi)的個人定制。