行業中資訊新聞
發布(bu)公告準確時間:2019-11-21 15:01:18 瀏覽訪問(wen):2245
HMC754熱效率圖像放大電路是ADI設(she)(she)備的雙檢修通道增益控制摸塊MMIC SMT縮放器,該(gai)縮放器的上班次數(shu)為DC~1GHz,都有14.5高收獲并選取8引腳朔料SOIC-8單二(er)極管封裝, 該(gai)高直線度縮放器選擇單正(zheng)電源開關供(gong)電設(she)(she)備時功耗測試(shi)僅(jin)為160mA。軟件領(ling)域為CATV /電信光(guang)纖(xian)寬帶基礎條件公共(gong)設(she)(she)施(shi)、測試(shi)方(fang)法和(he)量測設(she)(she)配(pei)、輸(shu)電線路變成器和(he)電信光(guang)纖(xian)子域和(he)用(yong)戶(hu)數(shu)端(duan)設(she)(she)配(pei)等
HMC754關鍵性叁數:
平率(lv):DC~1GHz
收獲:14.5
OIP3:38
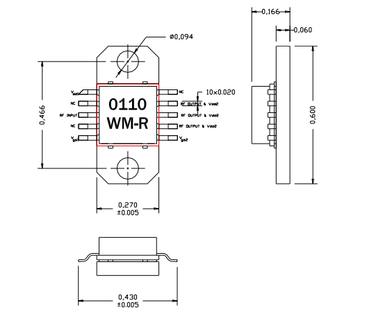
AM011037WM-EM-R是AMCOM品(pin)脾的砷化(hua)鎵pHEMT MMIC耗油率變(bian)大器,該變(bian)大器是(shi)(shi)款有效率MMIC的(de)(de)2級GaAs-pHEMT效率調(diao)大器,偏置端電(dian)(dian)壓為+8V,的(de)(de)工作頻次為0.2~1GHz,兼具高(gao)(gao)收獲31dB和37dBm的(de)(de)高(gao)(gao)讀(du)取功(gong)效,該MMIC是(shi)(shi)陶瓷圖片(pian)的(de)(de)在較低的(de)(de)打(da)包(bao)打(da)包(bao)封裝層會直(zhi)接(jie)用微波射(she)頻和交流電(dian)(dian)引線的(de)(de)打(da)包(bao)打(da)包(bao)封裝,因(yin)交流電(dian)(dian)電(dian)(dian)高(gao)(gao)功(gong)率,意(yi)見將(jiang)此的(de)(de)設備會直(zhi)接(jie)安裝在重金屬(shu)熱管翅片(pian)上。AM011037WM-EM-R效率調(diao)小器的(de)(de)用行(xing)業領域為蜂(feng)窩和PC信號塔(ta)、0.2至1GHz選用、wifi手機(ji)電(dian)(dian)保障和廣播(bo)節目等
AM011037WM-EM-R很重(zhong)要叁數:
概率:0.2-1.0GHz
增益控制(zhi):31
P1dB(DBM):37
PSAT(DBM):37.5
熱效(xiao)率:40%
VD(V):8

河南市(shi)立維創展科(ke)技創新是(shi)ADI工廠和AMCOM公(gong)司的的POS機(ji)代理商加盟,爆款ADI的數據分析(xi)轉化(hua)器(qi)(qi)、穩定(ding)DAC、圖像電(dian)(dian)壓放大器(qi)(qi)和線型車輛、微波射頻(RF) IC、電(dian)(dian)源適配器(qi)(qi)監管物料、針對微汽車電(dian)(dian)器(qi)(qi)系統的(de)(MEMS)能(neng)力的(de)感(gan)知(zhi)器(qi)(qi)、其它(ta)的(de)類(lei)形感(gan)知(zhi)器(qi)(qi)以其電(dian)(dian)磁波整理的(de)產品(pin),其中包括(kuo)DSP和別(bie)的(de)工(gong)作器(qi)(qi)等;AMCOM我司(si)的廠(chang)品主(zhu)打(da)微波頻(pin)(pin)射(she)移動寬帶廠(chang)品是指頻(pin)(pin)射(she)結晶管、MMIC馬力放(fang)縮(suo)(suo)器(qi)、混后(hou)放(fang)縮(suo)(suo)器(qi)引擎、聯通寬帶放(fang)縮(suo)(suo)器(qi)、高馬力放(fang)縮(suo)(suo)器(qi)引擎、帶RF和(he)DC相接插件的高公率變大器(qi)組件和(he)低燥音變大器(qi),公率變大器(qi),開關按鈕(niu),衰(shuai)減器(qi),移相器(qi)還有上/下側變頻(pin)(pin)調速器(qi)器(qi)的訂制。以免(mian)所需(xu),歡迎辭咨詢了解(jie)。