?LWH03060YAH替代PTH03060YAH:高性能電源模塊的優選方案
2025-06-04 16:34:15
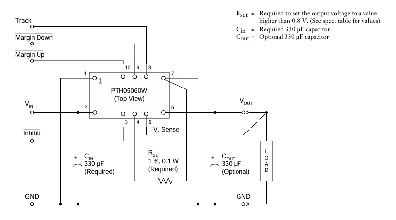
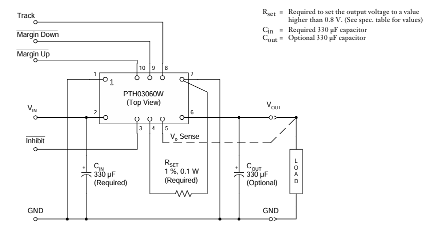
因 PTH03060YAH 供給時間段不斷增加與利潤間題,LWH03060YAH 可以作為為其用作上班方案,常操作于企業把控等對正規性和的效率請求高的應用場景。它所采用與 PTH03060YAH 同樣的 10-DIP 封裝類型,電耐磨性技術指標程度融入,不需要改造 PCB 選址便可復制。還,LWH03060YAH 在學習環境融入性上良好,上班溫位置更寬、抗干撓力量更強、操作質保期更長,且供給時間段更短、利潤節儉 15%-20%,是項目項目工程師對于元配件供給上下波動的正確的之選 。