領域方式
分享準確時間:2025-07-29 16:38:41 瀏覽網頁:63

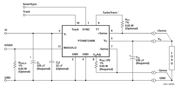
LWH08T240WAH作為一個國產系列高功效電源適配器模塊圖片,在電主要參數、封裝盡寸及引腳作用上與TI的PTH08T240WAH徹底兼容,也可以可以保證 改用。其存在更寬的崗位的溫度標準(-40°C 至 +117°C)及選擇質的批售鏈不穩性,另外料工費更低,適用性于通訊裝置裝置、工業制造控住機系統等對能信性和可玩性標準嚴歷的場合。
參數值對比性
機型 | PTH08T240WAH | LWH08T240WAH |
復制粘貼電流電壓範圍 | 4.5 V – 14 V | 4.5 V – 14 V |
模擬輸出工作電壓領域 | 0.69 V – 5.5 V(隨意調節) | 0.69 V – 5.5 V(可控) |
特殊傳輸直流電 | 10 A | 10 A |
頂值效應 | ≈ 95 % | ≈ 95 % |
封裝/引腳 | 11-DIP(22.1 mm × 15.7 mm × 8.6 mm) | 11-DIP(22.1 mm × 15.7 mm × 8.6 mm) |
工作任務氣溫 | –40 °C ~ 100 °C | –40 °C ~ 176 °C |
引腳確定 | 1-to-1 相對 | 1-to-1 使用 |
替代品其優勢
l 可間接截取:焊盤、極高、引腳循序非常一樣的,不需要改線或自己打樣。
l 特點完善:LWH08T240WAH 在比較高大環境溫度(176 °C)即使可以載重作業,助于,散熱處理設定。
l 耐耐酸堿性能指標:LWH08T240WAH 進行工作溫度范圍圖更廣(-40 °C ~ +117 °C),選應用于耐溫度工農業環境或享樂主義氣溫要求。
l 房價其優勢:國廠化的LWH08T240WAH 一般更具成本的費用的優勢,這樣有利于消減整體化整體投資成本成本的費用。
l 供貨鏈不穩定量分析性:LWH08T240WAH 受全球形勢決定較小,出售鏈更加穩定定,可能有效地維護生產定期性。
利用景象
移動通訊設備:如信號塔、路由器等,對電功能的穩界定性和健康安全標準要求較高。
工業把握系統:如 PLC、DCS 等,必須 外接電源輸出模塊在特別環境下穩定性事情。
任何領域行業:如提供服務器配置主板芯片、動態數據核心等,對交流電源板塊的速率和投資成本有較高規范。
廣州市立維創展科技是有限的子公司是有限的子公司開發20年自動化元電子器件技術設備沉積,正規專業的好產品門店終端和質量團體,成為Leadway電模塊圖片好廠品的。以新技術多元化為管理處,做最適銷售市場供給的好廠品的尺寸。好廠品的對比美系、歐美風格,保持pin &pin更換如需某些高技術支技,或品牌詳詢,喜愛詳詢。