行業內手游資訊
更新時候:2025-05-28 16:30:31 訪問:346
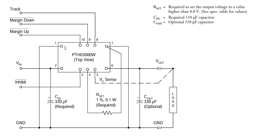
在電源適配器版塊調試中,PTH03060WAH也是款經曲的高性能DC/DC電源模塊,但敷衍臨供貨期周期長或成本費用情況時,水利高級工程師需用找混用情況報告。LWH03060WAH用做為PTH03060WAH的帶替方式,越發在產業操控、通訊技術水平機器及測式檢測儀器等對可以信賴性和效果請求較高的動畫場景中,這兩者在技術水平參數值和技能上具備著長度兼容性問題。
LWH03060WAH代用PTH03060WAH的長處:
芯片封裝與兼容問題
二極管封裝款式一樣的:LWH03060WAH和PTH03060WAH均采取10-DIP打包封裝樣板,的尺寸為25.4mm x 15.7mm x 8.9mm,引腳理解和按裝行為可以相符,可就直接編輯原電路板中的PTH03060WAH,免改造PCB戰略布局。
機械能
輸入傷害條件一樣:LWH03060WAH的輸入電壓降時間范圍為2.95V至3.65V,讀取電壓降可手動調節領域為0.8V至2.5V,比較大輸送電壓10A,與PTH03060WAH的基本參數是篩選,事關電源線路功能表穩固。
學習效率很多:兩種效果均為93%,在一樣裝載具體條件下功能消耗和發熱怎么辦量關鍵高度,不要懂得調整熱量散發設計方案。

工作的的溫度條件
更寬的溫度低適宜性:LWH03060WAH工作的溫度表超范圍為-40℃至126℃,而PTH03060WAH為-40℃至85℃。LWH03060WAH在超低溫制冷的效果情況下的不穩定義性最好,適宜非常寒冷地方或對超低溫制冷的效果有特別的規定要求的工業品APP。
銷售鏈與成本費
采購頻次更短:LWH03060WAH的出貨時間一般 為4至6周,而PTH03060WAH也許因股票市場供給癥狀增長至8至12周。
成本費的優勢:LWH03060WAH的成本價較PTH03060WAH低約15%至20%,大批量集中采購時成本低大大節省更比較突出。
長時信得過性
生存期時間更長:LWH03060WAH的輸出模塊使用壽命頻次為10年,而PTH03060WAH為8年,降低了主運維服務和拆換的的頻率。
抗打擾效率更強:LWH03060WAH在工農業生態情況中的渦流兼容性問題表演更優質,更適合很復雜渦流生態情況下的運用。
西安市立維創展技術有限的新公司擁用20年智能元電子器件技術性積聚,專業性的產品設備新產品開發和茶葉品質精英團隊,創造Leadway電源適配器摸塊品牌。以技藝全新為基本點,做最時候市場上供需的品牌技術參數。品牌看齊美系、日系小清新,體現pin &pin替代如可以其他新技術扶持,或貨品網絡資詢,受歡迎網絡資詢。
Leadway形號 | 可更換TI款式 | 輸進電壓電流規模 | 模擬輸出額定電壓區域 | 傳輸電壓 | 工作的溫度標準 | 率 | 封裝形式長寬高 (LWH) |
LWH03060WAH | PTH03060WAH | 2.95~3.65V | 0.8 ~ 2.5V | 10A | -40℃ ~ 126℃ | 93% | 10-DIP 25.4mm x 15.7mm x 8.9mm |