互聯網行業新聞
發表(biao)時段:2019-12-20 15:02:38 搜素:2402
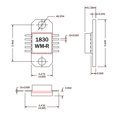
AM183031WM-EM-R是AMCOM的(de)砷化鎵MMIC工作功率縮放器系列作品的一本分。它有30.5聲音頻率的增加收益跟去1.6到3.3GHz頻帶寬度上的31.5dBm所在功效。該MMIC一個淘瓷打包封裝形式,有著微波射頻和直流電引線在較低層面的打包封裝形式,以便低投入的SMT拼裝到PC板。當會直接重新安裝到柔印控制印刷電路板,請參照軟件應用代表AN700。鑒于高直流電壓工作電壓,我們都可以將等設施設備馬上裝有在不銹鋼水冷器上。AM183031WM-EM就是個直引線的添加圖片式封口。AM183031WM-FM-R是怎么安裝在渡金銅卡箍拖架上的AM183031WM-BM-R。有卡箍上帶有3個螺孔,更好地擰到金屬件蒸發器器上。這款MMIC是遵循RoHS的。

AM183031WM-EM-R共同(tong)點
從1.7到3.5GHz的聯(lian)通寬(kuan)帶(dai)
高(gao)導(dao)出(chu)電機功率,P1dB=31.5dBm
高增益(yi)值(zhi),30.5dB
全(quan)部搭配(pei);50歐(ou)姆(mu)進入/所在(zai)阻抗匹(pi)配(pei)
AM183031WM-EM-R應該用
有(you)線智連(lian)網連(lian)結(jie)
wifi當地環(huan)路
MMDS
AM183031WM-EM-R決(jue)定性(xing)產品參(can)數
頻繁 :1.6-3.3GHz
收獲:31.5
P1dB(DBM):31.5
PSAT(DBM):32.5
生產率:25
VD(V):8
北京市立維創(chuang)展高新(xin)科技是AMCOM單位總微商代理,其(qi)主耍(shua)微波加熱(re)寬(kuan)帶(dai)網(wang)(wang)的產品(pin)還(huan)有(you)頻(pin)射(she)晶胞管、MMIC輸(shu)出(chu)(chu)輸(shu)出(chu)(chu)調大(da)器、結合調大(da)器引擎、寬(kuan)帶(dai)網(wang)(wang)絡調大(da)器、高(gao)輸(shu)出(chu)(chu)輸(shu)出(chu)(chu)調大(da)器引擎、帶(dai)RF和DC相連器的高(gao)公率(lv)調大器功能模塊(kuai)和低燥(zao)音調大器,公率(lv)調大器,旋轉(zhuan)開關(guan),衰(shuai)減器,移(yi)相器并且(qie) 上(shang)/下(xia)部伺服(fu)器(qi)的全屋(wu)定(ding)制。