服務業資迅
推送時間間隔(ge):2019-12-20 15:13:37 閱覽:1810
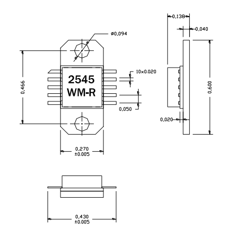
AM254540WM-EM-R是(shi)AMCOM的(de)砷化鎵HiFET MMIC功率(lv)放大(da)器系列的(de)一部分。這(zhe)(zhe)么(me)高效率(lv)MMIC是(shi)一個(ge)(ge)(ge)(ge)2級GaAs-pHEMT功率(lv)放大(da)器,偏(pian)置電(dian)壓(ya)為(wei)10~13V。輸入和級間匹配網絡(luo)覆蓋2.5到(dao)(dao)4.5GHz。這(zhe)(zhe)個(ge)(ge)(ge)(ge)MMIC需(xu)要輸出(chu)外(wai)部匹配到(dao)(dao)您感興(xing)(xing)趣的(de)波段之間2.5GHz至(zhi)4.5GHz提供最大(da)帶(dai)寬靈活性。例(li)如(ru),一個(ge)(ge)(ge)(ge)可用的(de)評估委(wei)員會在(zai)(zai)12V的(de)3.4到(dao)(dao)3.6GHz頻(pin)帶(dai)上(shang)具有(you)超(chao)過(guo)17dB的(de)增益(yi)、10瓦(40dBm)的(de)飽和輸出(chu)功率(lv)。該MMIC是(shi)一個(ge)(ge)(ge)(ge)陶瓷(ci)封(feng)裝(zhuang),在(zai)(zai)較低的(de)封(feng)裝(zhuang)層次上(shang)有(you)射頻(pin)和直(zhi)流(liu)引(yin)線(xian),以便于低成本(ben)SMT組件到(dao)(dao)PC板。當直(zhi)接(jie)安(an)裝(zhuang)到(dao)(dao)印刷電(dian)路板上(shang)時,請參閱應用說明AN700。由于高直(zhi)流(liu)功耗,我們強烈建議將這(zhe)(zhe)些設(she)備(bei)直(zhi)接(jie)安(an)裝(zhuang)在(zai)(zai)金屬散熱片上(shang)。AM254540WM-FM-R是(shi)安(an)裝(zhuang)在(zai)(zai)鍍(du)金銅(tong)法蘭托架上(shang)的(de)AM254540WM-BM-R。新興(xing)(xing)市場封(feng)裝(zhuang)與FM封(feng)裝(zhuang)具有(you)相(xiang)同的(de)占地面積(ji),采用直(zhi)引(yin)線(xian)和銅(tong)/鎢法蘭代替(ti)銅(tong)法蘭。法蘭上(shang)有(you)兩個(ge)(ge)(ge)(ge)螺孔(kong),便于擰到(dao)(dao)金屬散熱器上(shang)。這(zhe)(zhe)個(ge)(ge)(ge)(ge)MMIC是(shi)符合RoHS。

AM254540WM-EM-R表現(xian)形式
規律選用從2.5到4.5GHz
高(gao)傳(chuan)輸效率(lv),P1dB=38dBm
高收(shou)獲>17dB
從2.5到(dao)4.5GHz一致的投(tou)入
優質(zhi)>35%
AM254540WM-EM-R用
WiMAX企業
MMDS
手機(ji)無線廣域網(wang)中(zhong)繼器
12V利用
AM254540WM-EM-R極為重要參(can)數設置
頻點:2.5-4.5GHz
增益控(kong)制:17
P1dB(DBM):38
PSAT(DBM):39
率:35
VD(V):12
鄭州市市立(li)維創(chuang)展社會是(shi)AMCOM一(yi)区(qu)(qu)(qu)二区(qu)(qu)(qu)三区(qu)(qu)(qu)在(zai)(zai)(zai)线(xian)播放-欧美一(yi)区(qu)(qu)(qu)二区(qu)(qu)(qu)在(zai)(zai)(zai)线(xian)-亚洲一(yi)区(qu)(qu)(qu)二区(qu)(qu)(qu)三区(qu)(qu)(qu)在(zai)(zai)(zai)线(xian)-欧美一(yi)二区(qu)(qu)(qu)總經銷,其通(tong)常微(wei)波(bo)微(wei)波(bo)射頻光纖寬(kuan)(kuan)帶軟件(jian)以及微(wei)波(bo)射頻納米(mi)線管、MMIC工率(lv)圖像放縮儀、攪拌圖像放縮儀模快、寬(kuan)(kuan)帶網絡圖像放縮儀、高工率(lv)圖像放縮儀模快、帶RF和DC連入器(qi)(qi)的高瓦(wa)數圖像(xiang)變(bian)(bian)成(cheng)器(qi)(qi)電路功能和低噪音分貝圖像(xiang)變(bian)(bian)成(cheng)器(qi)(qi)電路,瓦(wa)數圖像(xiang)變(bian)(bian)成(cheng)器(qi)(qi)電路,旋轉開關(guan),衰減器(qi)(qi),移相器(qi)(qi)并且 上/下部變頻(pin)器(qi)的個性定制。