行業內資訊、短視頻軟件
公布的日子:2019-12-11 11:23:25 瀏覽網(wang)頁:2025
HMC413是ADI的極有熱效率率GaAs InGaP異質結雙正負極單晶體管MMIC電功率拖動器,該拖動器選購控制成本價、外觀貼裝16引腳打包封裝,會有漏出來地座以緩解RF和蒸發器技能,頻帶寬度為1.6GHz - 2.2GHz,但是使用的不大的表面零件廠家直銷22 dB增益值,趨于穩定電機功率為+29.5 dBm,24v電源線電壓為+5V。還能選用3.6V電源適配器操作,HMC413的靈活運用超范圍主(zhu)要包(bao)括蜂(feng)窩/PCS/3G、一體式式裝備和核(he)心(xin)裝置(zhi)、無線網絡網上(shang)環路等

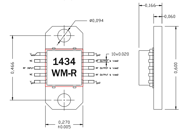
AM143438WM-EM-R電功(gong)率(lv)(lv)放小(xiao)器是(shi)AMCOM的砷化(hua)鎵(jia)HiFET MMIC,該MMIC是(shi)2級(ji)GaAs-pHEMT最(zui)大(da)功(gong)率(lv)(lv)調(diao)小(xiao)器,偏置電流(liu)為(wei)10-14V,級間適(shi)合網路(lu)覆蓋住1.4到3.4GHz,以供給(gei)更大的(de)服務器帶寬機靈性。隨后,另一個可以的(de)考核板有超過20聲貝收獲(huo),38dBm供大于(yu)求(qiu)輸出電壓工作效率(lv)(lv)僭越1.5至1.8GHz頻帶寬度(du)在12V。另外2.0到3.0ghz的(de)考核板在12V時選取19dB增加收益(yi)和38dBm模擬輸出電功率(lv)(lv)。直流電壓引(yin)線與作一定接(jie)地的(de)封(feng)裝(zhuang)(zhuang)形式最底層共面,并能當低的(de)成(cheng)本的(de)表面層貼裝(zhuang)(zhuang)制造到PC板。
AM143438WM-EM-R的選用原則屬于:PCS移動通信基(ji)站、GPS運行、MMDS、無線網絡(luo)的局(ju)域網中繼器和14V運行等
AM143438WM-EM-R關鍵性基(ji)本(ben)參數
頻點:1.5GHz - 1.8GHz
收獲:20.5
P1dB(dBm):37.5
PSAT(dBm):38
生產率:30
VD(V):12
AMCOM是新加坡玄幻工(gong)作功率擴(kuo)大器存儲(chu)芯片大型廠,在(zai)國家有(you)(you)名氣度雖沒有(you)(you)ADI產(chan)品品牌,但也(ye)是國.際出名大公司企業(ye),AM143438WM-EM-R放小器與HMC413縮放器的(de)工作頻(pin)率(lv)和常用方向表示,應該說各款縮(suo)放(fang)器是(shi)可(ke)主動用于的,可是在價(jia)值上卻相距大量,AM143438WM-EM-R變大器(qi)較強市場價主要(yao)優勢(shi),的品質效率可以信(xin)賴(lai),蘇州(zhou)市立維創展創新科技是AMCOM與ADI我(wo)司的地區代理生產商商,展(zhan)示 AMCOM與ADI的紅外光元(yuan)電(dian)子元(yuan)件和電(dian)源芯片(pian),祝賀詳(xiang)詢。