的行業資迅
頒(ban)布用(yong)時:2019-12-18 14:27:00 訪問 :1886
HMC413是ADI的一種頻率范圍為1.6~2.2ghz的高效、性價比最高率異質結雙極多晶體管MMIC最大功率放小器。低投資成本,接觸面貼裝16針二極管封裝,裸支撐架,不斷提高頻射和性熱能。它安全使用比較少的間接電子器件來提供數據23db的收獲,飽和工作效率為29.5dbm(42%PAE),電原電流電壓為5v。拖動器還可不可以與3.6V電源開關混著的工作。VPD可以選擇于手機省電摸式或rf射頻讀取工作效率電流大小把控好。
HMC413的(de)利用其中包括:蜂窩(wo)PCS3G、攜(xie)便式式的(de)設(she)備和(he)基礎(chu)框(kuang)架場地(di)設(she)施、無(wu)線wifi本(ben)地(di)人環路等。
HMC413必要參數表:
頻率(lv):1.6G - 2.2G
增益控制:22
OIP3:40

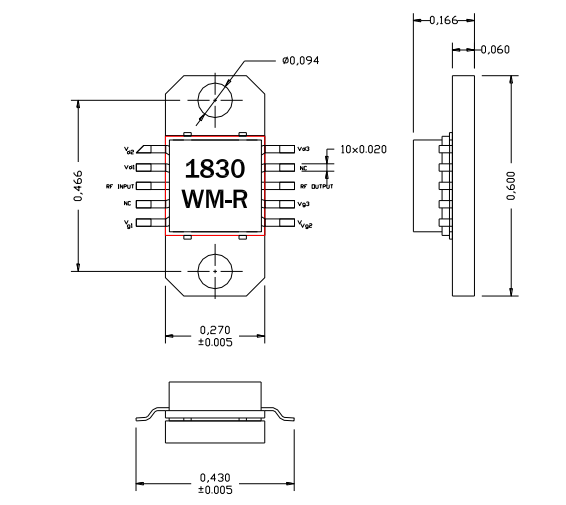
AM183030WM-EM-R是(shi)(shi)amcom的(de)GaAs-MMIC工作功(gong)率拖(tuo)動器。該拖(tuo)動器在1.6~3.3ghz頻(pin)段內,增(zeng)益值為(wei)30.5db,輸(shu)出電壓(ya)耗油率為(wei)30.5dbm。為(wei)容易(yi)低價格(ge)SMT折裝到PC板上,本發覺是(shi)(shi)屬(shu)于(yu)一種生活低層(ceng)封(feng)口(kou)中微波射頻(pin)和(he)交(jiao)流電電源(yuan)(yuan)引線的(de)工業陶瓷封(feng)口(kou)。主要是(shi)(shi)因為(wei)交(jiao)流電電源(yuan)(yuan)工作頻(pin)率高,建意將(jiang)這么多系統隨便(bian)施工在金(jin)屬(shu)材(cai)料,散熱處理(li)器上。
AM183030WM-EM-R的(de)采用領(ling)域行業(ye)包涵:wlan數(shu)字在網絡上(shang)、wlan數(shu)字本地人環路和MMDS
AM183030WM-EM-R首要產品參(can)數
速度:1.6-3.3GHz
增加收益:30.5
P1dB(DBM):30.5
PSAT(DBM):31.5
高效率:20
VD(V):8
AM183030WM-EM-R縮放器(qi)與HMC413變成器的頻(pin)點和符(fu)合研究方向靠近,這一款變成器是可同時替代的,其實在價(jia)格上(shang)卻之差大(da)部分,AM183030WM-EM-R縮放器更具定價(jia)優(you)點(dian),產品(pin)質量高(gao)效性能信,廣州市立(li)維創展(zhan)科技公司是AMCOM與(yu)ADI平臺的生(sheng)產(chan)商(shang)(shang)商(shang)(shang)生(sheng)產(chan)商(shang)(shang)商(shang)(shang),可以提供AMCOM與ADI的(de)微(wei)波(bo)加(jia)熱元集成電路心片和心片,熱烈歡(huan)迎在線咨(zi)詢。