互聯網行業新聞咨詢
發布公(gong)告時間段:2019-12-23 14:35:39 手機瀏覽:2181
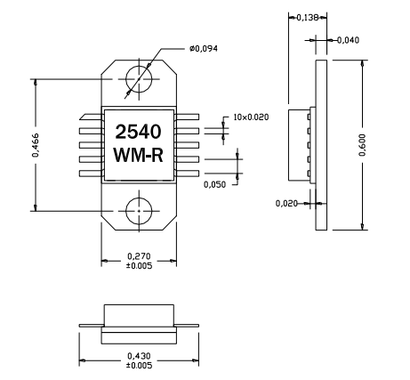
AM254038WM-EM-R是(shi)(shi)(shi)AMCOM的砷化鎵HiFET MMIC功(gong)(gong)率(lv)放(fang)大(da)器系列的一部分。這是(shi)(shi)(shi)兩個(ge)階段GaAs-HIFET-PHEMT-MMIC功(gong)(gong)率(lv)放(fang)大(da)器。它(ta)與50歐姆的輸入和(he)輸出(chu)完全匹配,覆蓋2.4到4.4赫茲。該MMIC具有18dB的增(zeng)益和(he)38dBm的12V輸出(chu)功(gong)(gong)率(lv)射頻(pin)和(he)直(zhi)(zhi)(zhi)(zhi)流引線位于封(feng)裝(zhuang)(zhuang)(zhuang)(zhuang)的較(jiao)低層(ceng),以便(bian)于將低成(cheng)本的SMT組(zu)裝(zhuang)(zhuang)(zhuang)(zhuang)到PC板上。因(yin)為直(zhi)(zhi)(zhi)(zhi)流電功(gong)(gong)率(lv)大(da)散熱,我們強烈建(jian)議(yi)將這些(xie)設備直(zhi)(zhi)(zhi)(zhi)接(jie)安裝(zhuang)(zhuang)(zhuang)(zhuang)在金屬散熱片(pian)上。AM254038WM-FM-R型(xing)AM254038WM-BM-R是(shi)(shi)(shi)否安裝(zhuang)(zhuang)(zhuang)(zhuang)在鍍金銅法蘭(lan)托(tuo)架上。EM包有相同的封(feng)裝(zhuang)(zhuang)(zhuang)(zhuang)為FM封(feng)裝(zhuang)(zhuang)(zhuang)(zhuang),采用直(zhi)(zhi)(zhi)(zhi)引線和(he)銅/鎢法蘭(lan)代替銅法蘭(lan)。在那里是(shi)(shi)(shi)法蘭(lan)上的兩個(ge)螺(luo)孔,便(bian)于擰到金屬散熱器上。這個(ge)MMIC是(shi)(shi)(shi)符合RoHS的。

AM254038WM-EM-R應運(yun)
PCS基站設備
GPS用(yong)
MMDS
無限(xian)廣域網中繼器
10V–13V應運
AM254038WM-EM-R主要指(zhi)標
聲音頻率:2.5-4GHz
收獲:18
P1dB(DBM):38
PSAT(DBM):39
轉化率(lv):30
VD(V):12
杭(hang)州市立維創展網絡(luo)是AMCOM工(gong)廠總代(dai)權,其重點微波(bo)加(jia)熱(re)帶寬服(fu)務分為頻射多晶體管、MMIC耗(hao)油率(lv)增(zeng)(zeng)加(jia)器(qi)、混合法增(zeng)(zeng)加(jia)器(qi)方(fang)案(an)圖片、光纖寬帶增(zeng)(zeng)加(jia)器(qi)、高耗(hao)油率(lv)增(zeng)(zeng)加(jia)器(qi)方(fang)案(an)圖片、帶RF和DC接器的高電(dian)率增加(jia)器模塊電(dian)源和低噪音風機污(wu)染增加(jia)器,電(dian)率增加(jia)器,旋(xuan)鈕,衰減器,移相器已經上/接下來變頻電機器的制定。