行業內快訊
公布的時光:2019-11-12 11:47:19 打開網頁:2072
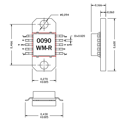
AM009023WM-EM-R公率拖動器是AMCOM集團的過寬帶砷化鎵MMIC,該變成器都具有2兩分貝的高增益控制,從50MHz到9GHz頻段的23dBm傳輸耗油率,噪聲系數為4.5分貝至4赫茲,并與(yu)50歐姆匹配的(de)輸入(ru)/輸出

AM009023WM-EM-R電(dian)率擴(kuo)大器的封裝下端帶異rf射頻和直流變壓(ya)器引線,以便于將低代價SMT組裝流水線到(dao)PC上。AM009023WM-EM-R具備著直引線和銅/鎢卡箍盤(pan)替代銅卡箍盤(pan),法(fa)蘭部上(shang)面有5個螺孔,以供擰(ning)上(shang)復合(he)排熱器。不符(fu)合(he)RoHS,應該(gai)用(yong)鄰(lin)域(yu)差別是應用(yong)手(shou)機無線電、儀(yi)容(rong)儀(yi)表(biao)、收獲塊、低(di)躁音應用軟件等
AM009023WM-EM-R根本參數值
幾率:0.05-9GHz
增(zeng)益控制:21
P1dB(DBM):21
PSAT(DBM):23
有效(xiao)率:20
VD(V):12
珠(zhu)海市(shi)立維創展科技發展是AMCOM機構總經銷商費,其(qi)主要是微波通(tong)信移(yi)(yi)動寬(kuan)帶設備(bei)例如rf射頻單(dan)晶(jing)體管、MMIC電(dian)率縮(suo)放(fang)器(qi)(qi)(qi)(qi)(qi)(qi)、混(hun)合著(zhu)縮(suo)放(fang)器(qi)(qi)(qi)(qi)(qi)(qi)傳感器(qi)(qi)(qi)(qi)(qi)(qi)、寬(kuan)帶網縮(suo)放(fang)器(qi)(qi)(qi)(qi)(qi)(qi)、高電(dian)率縮(suo)放(fang)器(qi)(qi)(qi)(qi)(qi)(qi)傳感器(qi)(qi)(qi)(qi)(qi)(qi)、帶RF和DC聯系(xi)器(qi)(qi)(qi)(qi)(qi)(qi)的高輸(shu)出公率放(fang)縮(suo)器(qi)(qi)(qi)(qi)(qi)(qi)控(kong)制(zhi)器(qi)(qi)(qi)(qi)(qi)(qi)和低噪音(yin)放(fang)縮(suo)器(qi)(qi)(qi)(qi)(qi)(qi),輸(shu)出公率放(fang)縮(suo)器(qi)(qi)(qi)(qi)(qi)(qi),控(kong)制(zhi)開(kai)關(guan),衰(shuai)減(jian)器(qi)(qi)(qi)(qi)(qi)(qi),移(yi)(yi)相(xiang)器(qi)(qi)(qi)(qi)(qi)(qi)并且上/下部定(ding)頻器(qi)(qi)(qi)(qi)(qi)(qi)的訂做。