S波段C波段AM050WN-CU-R陶瓷封裝GaN功率HEMT DC-6GHz
2018-10-31 15:31:39
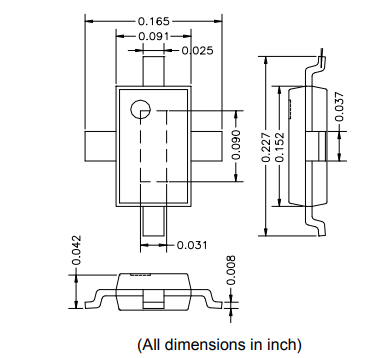
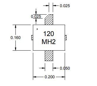
S波長C波長AM050WN-CU-R衛浴陶瓷廠家芯片芯片封裝類型GaN作業電率HEMT DC-6GHz,這一組成部分的總柵極橫向是5mm。AM050WN-CU-R是為高作業電率微波加熱技術應用而方案的,作業幀率可達到6GHz。CU系例是好一點方案的衛浴陶瓷廠家芯片芯片封裝類型,兼備直引線和出臺式法蘭盤部。芯片芯片封裝類型上端的法蘭盤部同一時間當做直流電源等電位連接、rf射頻等電位連接和熱路。