C波段VSAT高功率寬帶應用AM032MH4-BI-R
2018-11-07 11:36:48
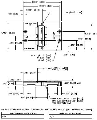
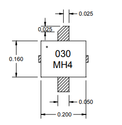
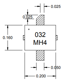
C波長VSAT高電最大輸出功率聯通網絡帶寬技術應用領域AM032MH4-BI-R,HIFET是這部分配備的高新產品主設備硬件配置,采用了高電流值、高電最大輸出功率和聯通網絡帶寬技術應用領域。該電子元電子器件的總電子元電子器件外圍網為128mm。AM032 MH4-Bi-R是為高電最大輸出功率微波通信技術應用領域而設定的,事業頻繁高至6GHz。BI國產采用了是一種特別設定的工業陶瓷封裝,具有著彎折或垂直線的引線和凸緣配置方法。