RFLI090M21M29超寬帶同軸隔離器RF-LAMBDA
2024-06-21 08:46:13
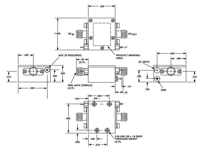
RFLI090M21M29是RF-LAMBDA的的一款超大帶同軸防護隔離霜器,任務率為214MHz至286MHz,享有0.6dB很大添加圖片自然損耗、19dB不大防護隔離霜度、1.3:1 VSWR和50W連著波正面工率。它能夠N型或SMA型連入器,電位差為50Ω,任務溫度表的范圍為-40°C至+85°C。該防護隔離霜器可中用移動基礎知識裝置、軍隊、中國航天工業部、各種測試實驗室設備、雷達天線模式、5G通迅等科技領域,享有優異的抗振和震蕩功能,可在超過30,000公尺的海拔有長度下任務。