互聯網行業訊息
上(shang)傳時(shi)光:2024-07-02 08:46:51 瀏覽記錄(lu):6115
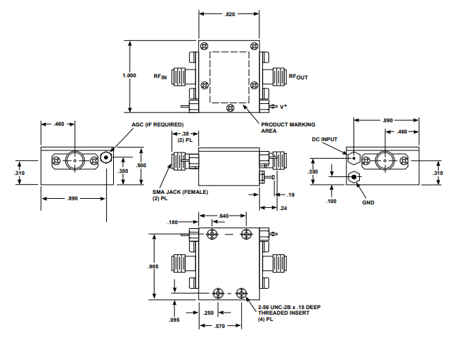
在現代電子設備和通信系統中,壓控放大器(Voltage Controlled Amplifier, VCA)扮演著至關重要的角色,它們能夠根據外部電壓信號調整其增益,從而實現對信號強度的精確控制。Teledyne防務電商公司生產的(de)AGC-1053壓控放(fang)大(da)器,就是(shi)這樣一(yi)款高(gao)性能的(de)設備,它集(ji)成了先進(jin)的(de)技術,以滿足各種嚴苛的(de)應(ying)用需求(qiu)。
AGC-1053壓控圖像功率變成器進行了三大MMIC RF圖像功率變成器,每個圖像功率變成器都享有22dB的增加收益,這致使全部圖像功率變成器在清理表現時也能出示有力的圖像變成實力。除此之外,它還優勢互補了PIN整流電感,一種整流電感也能根據靜態施加壓力的0到+5VDC掌握直流電壓來變現增加收益的專注調。一種設計構思致使AGC-1053在增加收益掌握角度享有不高的靈活力性和精確性性。
| Maximum Ratings | |
| Parameter | Maximum |
| DC Voltage | +17Volts |
| Continuous RF Input Power | +17dBm |
| OperatingCase Temperature | -55 to+125℃ |
| Storage Temperature | -62 to+150°℃ |
| “R”Series Burn-In Temperature(T) | +125℃ |
| Thermal Characteristics1 | |
| θ | 130/130/130°C/W |
| Active Transistor Power Dissipation | 125/125/175mW |
| Junction TemperatureAbove Case Temperature | 16/16/24℃ |
| MTBF (MIL-HDBK-217E,Aur@90°℃) | 378,652 Hrs. |
武漢市市立維創展科學是Teledyne防務電子無線的經售商,保證Teledyne防務網上食品包括LDMOS、GaN、GaAs和InP。Teledyne防務電子器材設備線的支持寬頻段、窄帶、單脈沖擴大器,概率1MHz~220GHz,電機功率mW~10kW,強勢渠道方式給出Teledyne防務網上定貨,受歡迎資詢。