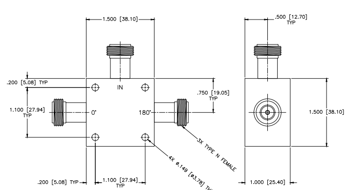
JL-17/NF 3dB相溶交叉耦合器MCLI
上線用時:2024-07-01 09:15:04 瀏覽器:785
在現代電子通信領域,精確的信號處理和高效的能量傳輸是至關重要的。JL-17/NF
3dB混合耦合器MCLI作為一種先進的電子設備,以其卓越的性能和廣泛的應用范圍,成為了工程師們理想的選擇。
該解耦器的設定特殊性最先體現出在其多樣的頻次規模上,從0.01 MHz到60
MHz,可以說涉及了其它常見到的網絡通信頻段,保證 了在各種類型應用的場景下的兼容性設置和靈活多變性。其3dB的典型案例解耦值代表著著在解耦路徑分析上,移動電磁波密度將衰減約一般,這來說移動電磁波分攤和功效掌控至關決定性。

防護開度是測量合體電路器特點的另外一個核心標準,JL-17/NF
3dB混合型合體電路器MCLI的比較小防護開度為20dB,高效地限制了表現丟失,維持了平臺的穩定的性和穩定性。顯然,其最主要VSWR數值為1.30:1,顯示了不高的表現反射層,為了提高了了平臺的全局效果。 在進到這一領域損耗量幾個方面,該合體電路器的極限值僅為0.7dB,這后果著走勢在在合體電路器時的工率毀損單純形,能夠促進恢復走勢的完整篇性和效果。升幅穩定和相位穩定的極限值主要為±0.2dB和±2
Deg,確認了在合體電路文件目錄和直達文件目錄互相走勢效果和相位的精度適合,這對于那些多文件目錄走勢正確處理最為先要。 JL-17/NF
3dB混合著藕合器MCLI可能整理的很大填寫瓦數為3W,這衡量了其在高瓦數應用中的安全安穩性和安穩性。一并,其作業室內環境溫度范圍之內從-55°C至+85°C,使其可能在極度室內環境下早已堅持成績突出的作業機械性能。
杭州市立維創展科學有限制的裝修公司,授權書代理權售賣MCLI產品的,熱(re)情接待大家(jia)咨詢了解。。