互聯網行業新聞咨詢
推送事件(jian):2024-06-26 08:54:21 搜索:803
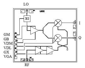
CHR2295-99F是UMS微波加熱一(yi)款高性能的GaAs單(dan)片微波集(ji)(ji)成電路(IC),專為商業(ye)通信系統中(zhong)的下變頻應用而設(she)計。該芯片集(ji)(ji)成了(le)多種功能,包括LO(本地(di)振蕩(dang)器)時(shi)間雙倍(bei)頻器、平衡(heng)冷FET混(hun)頻器和RF低噪(zao)聲放大(da)器(LNA),使其能夠有效地(di)將LO信號(hao)轉換(huan)為RF信號(hao)。

該芯片的主要特點包括:
- 上行寬帶功效:RF上行寬帶為24-30 GHz,LO上行寬帶為12-15 GHz。 - 切換收獲:微波射頻收獲(Conversion Gain)在11至15 dB之間。 - 的噪音因子:3.5 dB,適于于底頻段>0.1 GHz。 - LO手機輸入工作效率:最低值一般選擇-10 dBm,最大化值一般選擇10 dBm。 - RF輸入工率:在1 dB增加收益壓縮視頻點時為-10 dBm。 - 低直流電最大功率所耗:120 mA @ 3.5 V。 - 處理芯片尺寸規格:2.49 x 1.97 x 0.10 mm。 CHR2295-99F適用pHEMT制作工藝加工,包括0.25μm的柵長,并能夠 柔性板孔、空氣的橋和電子廠束柵幻影刻技術水平實行高的精密度和信得過性。集成ic的后邊設計的為頻射和交流電一定接地,優化了裝配工藝具體步驟,改善了系統的信得過性和能力。珠海市立維創展科技信息有限工廠英文工廠授權經銷UMS微波,針對部分型號的UMS產品提供優質的現貨產品庫存,歡迎咨詢。