制造行業內容
發布信息(xi)時間段:2024-06-28 08:59:54 觀看:6082

PULSAR倍(bei)頻器(qi)FX-04-410是一(yi)款高性能(neng)的電子(zi)設備(bei),專為需要精(jing)確頻率轉換的應用而設計。以(yi)下是該產(chan)品的詳細介紹:
商商品編碼稱: Pulsar倍頻器FX-04-410頻率范圍:
鍵盤輸入平率: 75-1500 MHz 轉換的頻率: 150-3000 MHz 設置最大功率標稱值: +10.0 dBm轉換損耗:
在F2的頻率下: 12.0 dB上限 在F4頻次下: 20.0 dB典范雜散信號抑制:
F1: 20 dBc F3: 20 dBc 二極管封裝類行: SMA連接器類型:
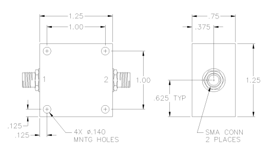
要求調試: SMA female 自選搭配: BNC, TNC, F, 和 N connectors 進入/輸入表層: 顯示網口: 1 讀取服務器端口: 2 跨接裝置習慣: 殼體跨接裝置 性能規格: 1.25" x 1.25" x 0.75"
雜散信號抑制性能表明,該設備能夠有效抑制不需要的頻率成分,確保輸出信號的純凈度。SMA連接器是標準配置,但也提供其他類型的連接器選項,以適應不同的應用需求。蘇州市立維創展信息技術銷量商權銷量商銷量PULSAR微波通信商品,并提供數據安裝(zhuang)支(zhi)撐精準(zhun)服務,邀(yao)請資訊(xun)。