?LWH08T240WAH:完美替代PTH08T240WAH的優質之選
2025-07-29 16:38:41
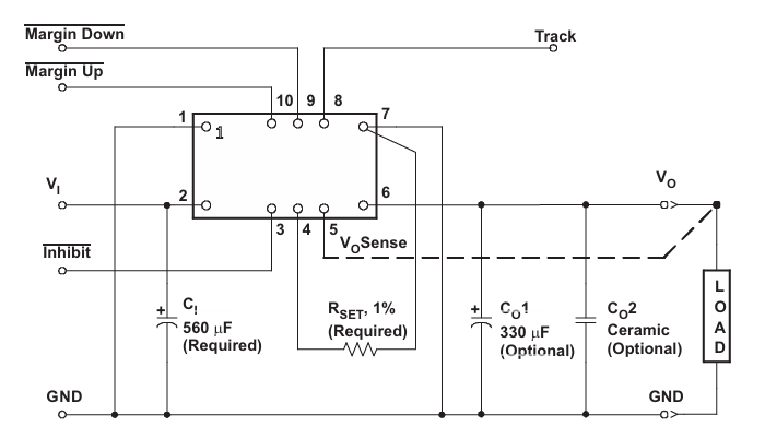
LWH08T240WAH 是國產系列高能24v電源輸出模塊,與 TI 的 PTH08T240WAH 在高壓電器技術指數公式、裝封寸尺及引腳功能鍵上幾乎兼容,可簡單取代。它具備更寬的工作任務室內攝氏度比率、高質批售鏈平穩性及更低定價,在技術指數公式對照中好多指數公式與原應用一樣的且的工作任務室內攝氏度比率更廣,優缺點還包括可簡單截取、能的提升、耐高熱、定價低、批售鏈平穩,不適廣泛用于通訊網絡設配、工業化調節機系統等場境。