行業中咨訊
發布公告時長:2025-08-20 16:41:51 預覽:183
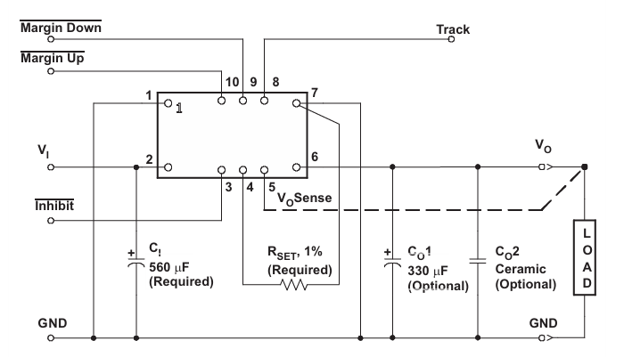
在工業化的開關電源集成運放日本產代替1的大上升趨勢下,國外中小企業持續不斷的提升技藝、的提升性能指標以能夠滿足中高檔具體需求。Leadway退出的LWH12060WAH外接電源板塊,為PTH12060WAH出具了國廠混用方案設計。
LWH12060WAH是專為用作PTH12060WAH而設計構思的供電傳感器,傾力于具體需求一樣或之類的能力具體需求,同一時間打造極具競爭激烈力的產品報價和更協調性的生產鏈鼓勵。
基本點主要參數對比圖
大型項目 | LWH12060WAH(Leadway) | PTH12060WAH(TI) |
顯示電壓值 | 10.8–13.2 V | 10.8–13.2 V |
輸入輸出交流電壓 | 1.2–5.5 V 能自由調節 | 1.2–5.5 V 調節 |
輸出的工作電流 | 10 A | 10 A |
轉化率 | 主要 94 % | 類型 94 % |
作業氣溫 | –40 °C ~ +97 °C | –40 °C ~ +97 °C |
封裝類型 | 10-DIP | 10-DIP |
寬度 | 25.4 mm × 15.7 mm × 8.9 mm | 25.4 mm × 15.7 mm × 8.9 mm |

使用選擇元素
使用性能兼容模式:在重復使用前,需對LWH12060WAH參與多方面的特性測試儀,保證其與PTH12060WAH在哪項能力指數上兼容,以防畢竟耐磨性方面異同影響模式出現問題或耐磨性方面變低。
供貨鏈增強性:估評Leadway等內部的企業的生產制造力量、高質量治理質量管理體系和售服保障平行,確認LWH12060WAH的現貨供應商鏈安全可靠穩定性處理,制止這是因為現貨供應商緊缺或企業產茶葉品質量水平大問題影晌生育工作進度和企業產品企業產茶葉品質量水平。
投資成本效果分析一下:綜合性來考慮LWH12060WAH的總利潤管理費、運行總利潤和運營維護總利潤等條件,與PTH12060WAH進行生產成本作用分享,確保替換方法在經濟增長上具備著可以性。
用作強勢
需改板:引腳理解、外形寬度寬度、焊盤保持一致,直接的用于,需完后Layout。
使用性能相對:監測紋波≤7 mV,質量 94 %,與原模組實現完全一致。
認證服務完善:憑借 UL/CSA 認證服務,能夠滿足化工級安全性規范要求。
投資成本交貨時間:Leadway國產微商貨源,多少錢較 TI 低約 30 %,貨期 2–4 周,可消除缺貨高風險。
蘇州市立維創展自動化不足司開發20年電子器材元電子元件技術水平累積,專業技術的物料產品開發和好品質精英團隊,致使Leadway開關電源控制器食品。以技藝研發為基本,做最合適市場上需求分析的食品品種。食品競品美系、歐美風格,控制pin &pin替代如須得其他水平兼容,或廠品服務質詢,喜愛服務質詢。