HMC-APH403/HMC-APH403-SX四級MMIC中等偏上工率調大器 ADI外盤
公布(bu)耗(hao)時:2018-06-27 17:15:29 訪(fang)問(wen):7031
HMC-APH403有的是款三類GaAs HEMT MMIC適中任務公率縮放器,任務次數的范圍為37至45 GHz。 HMC-APH403供應21 dB增益值,所采用+5V電原電壓電流時享有+23 dBm傷害任務公率(1 dB再壓縮)。 所有焊盤和集成塊正面都經歷Ti/Au塑料化,縮放器已非常鈍化以推動可信操作使用。
HMC-APH403 GaAs HEMT MMIC中高輸出縮放器兼容傳統藝術的處理集成塊貼裝形式,和熱擠壓和熱mri線電工藝,十分的符合MCM和相混微控制電路軟件。 彼處體現 的整個參數均是處理集成塊在50 Ω學習環境下動用RF攝像頭碰到測定。
|
品牌
|
型號
|
描述
|
貨期
|
庫存
|
|
ADI
|
HMC-APH403
HMC-APH403-SX
|
中等功率放大器芯片,37 - 45 GHz
|
現貨
|
226
|
廣泛應用
HMC-APH403優勢和特點
-
輸出IP3: +32 dBm
-
P1dB: +23 dBm
-
增益: 21 dB
-
電源電壓: +5V
-
50 Ω匹配輸入/輸出
-
裸片尺寸: 2.76 x 1.03 x 0.1 mm
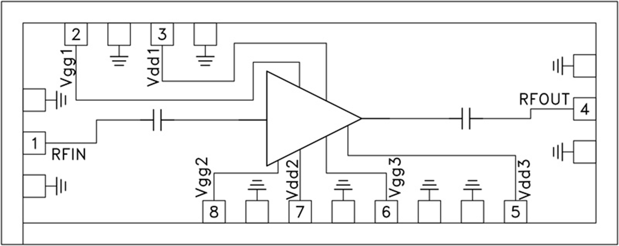
HMC-APH403結構圖
