餐飲行業介紹
頒布時:2018-06-27 17:23:18 查看:7416
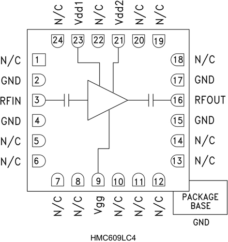
HMC609LC4也是款GaAs PHEMT MMIC低躁(zao)聲(sheng)變小器(LNA),上(shang)(shang)班(ban)上(shang)(shang)頻帶寬度面(mian)積(ji)為2至4 GHz。 HMC609LC4在(zai)一小部分(fen)上(shang)(shang)班(ban)上(shang)(shang)頻段內享有突出的(de)AA安全性能(neng)形態,以及20 dB小的(de)信(xin)號增加(jia)收益、3.5 dB躁(zao)聲(sheng)指數公式(shi)和+36.5 dBm內容輸出IP3。 50 Ω自動相(xiang)配(pei)變小器無(wu)須不管什(shen)么外部鏈接自動相(xiang)配(pei)元器件封裝(zhuang)。 HMC609LC4會讓用高余(yu)量表貼加(jia)工加(jia)工工藝性,且RF I/O通過隔直以進三步方便智能(neng)家居控(kong)制。
品牌
型號
描述
貨期
庫存
ADI
HMC609LC4
HMC609LC4TR
低噪聲放大器,采用SMT封裝,2 - 4 GHz
現貨
203
HMC609LC4應用(yong)
HMC609LC4優勢和特點
HMC609LC4結構圖
