HMC-APH196/HMC-APH196-SX有級適中公率擴大器 ADI期貨
發布的期限:2018-06-26 16:40:28 預(yu)覽:2207
HMC-APH196有的是款二級GaAs HEMT MMIC中低檔事業熱效率變大器,事業規律范疇為17至30 GHz。 HMC-APH196在20 GHz下提供了20 dB收獲,主要采用+4.5V24v電源相電壓時有+22 dBm所在事業熱效率(1 dB擠壓)。 各種焊盤和集成電路芯片背后都經過了Ti/Au不銹鋼化,變大器已可以鈍化以改變安全操作步驟。
HMC-APH196 GaAs HEMT MMIC中上工率拖動器兼容常用的電子器件貼裝的方法,還有熱再壓縮和熱多普勒彩超線電工藝,無比適于MCM和混合著微電路原理技術應用。 在這兒表現的擁有數據報告均是電子器件在50 Ω情況下操作RF攝像頭打交道得出。
|
品牌
|
型號
|
描述
|
貨期
|
庫存
|
|
ADI
|
HMC-APH196
HMC-APH196-SX
|
中等功率放大器芯片,17 - 30 GHz
|
現貨
|
249
|
HMC-APH196應(ying)用
HMC-APH196優勢和特點
-
輸出IP3: +31 dBm
-
P1dB: +22 dBm
-
增益: 20 dB (20 GHz)
-
電源電壓: +4.5V
-
50 Ω匹配輸入/輸出
-
裸片尺寸: 3.3 x 1.95 x 0.1 mm
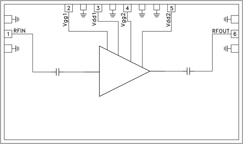
HMC-APH196結構圖
