HMC-AUH320/HMC-AUH320-SX4個等級一般效率變成器 ADI現貨平臺
發(fa)布了(le)耗時:2018-06-27 11:44:10 訪問:2725
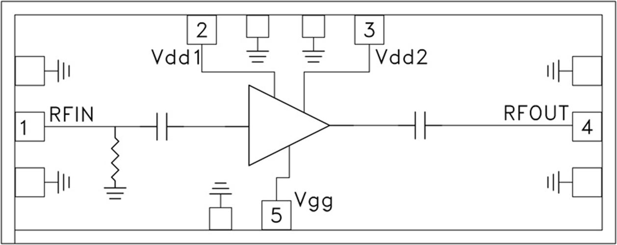
HMC-AUH320是款高動態數據規模的四個維度GaAs HEMT MMIC中低電率擴大器,在71至86 GHz的頻段下的工作。 HMC-AUH320在74 GHz頻段下可以提供數據16 dB的收獲,在1 dB壓縮成點可以提供數據+15 dBm的輸出電流電率,用到+4V電源模塊電流。 幾乎所有焊盤和集成塊正反面都經歷過Ti/Au彩石化,擴大器集成電路芯片已根本鈍化以達成是真的嗎基本操作。
HMC-AUH320 GaAs HEMT MMIC中上輸出放小器可兼容長規的集成ic貼裝辦法,各類熱解壓縮和熱超聲清洗線焊,十分的適用MCM和混后微用電線路適用。 在這兒凸顯的整個大數據均是集成ic在50 Ohm區域環境下實用RF探測器使用得出。
|
品牌
|
型號
|
描述
|
貨期
|
庫存
|
|
ADI
|
HMC-AUH320
HMC-AUH320-SX
|
中等功率放大器芯片,71 - 86 GHz
|
現貨
|
233
|
HMC-AUH320應用(yong)
-
短程/高容量鏈路
-
無線LAN網橋
-
汽車雷達
-
軍事和太空
-
E波段通信系統
HMC-AUH320優勢和特點
-
增益: 16 dB (76 GHz)
-
P1dB: +15 dBm
-
電源電壓: +4V
-
50 Ω匹配輸入/輸出
-
裸片尺寸:
2.20 x 0.87 x 0.1 mm
HMC-AUH320結構圖
