HMC-ABH241/HMC-ABH241-SX4級GaAs HEMT MMIC中低電率縮放器 ADI外盤
上線(xian)時:2018-06-26 16:30:49 手機瀏覽(lan):2435
THMC-ABH241一款四六級GaAs HEMT MMIC中等水平作業諧波失真放縮器,作業頻率範圍為50至66 GHz。 HMC-ABH241可以提供24 dB增加收益,用到+5V電源適配器電壓降時還具有+17 dBm效果作業諧波失真(1dB再壓縮)。 各個焊盤和集成ic后殼都經歷過Ti/Au重金屬化,放縮器已非常鈍化以構建穩定可靠的操作。
HMC-ABH241 GaAs HEMT MMIC適中輸出擴大器兼容普通的基帶基帶芯片貼裝方案,相應熱壓解和熱高周波線電焊工藝,是非常最合適MCM和分層微控制電路采用。 這里展現的一切動態數據均是基帶基帶芯片在50 Ω自然環境下在使用RF紅外探頭接觸的面積測量。
|
品牌
|
型號
|
描述
|
貨期
|
庫存
|
|
ADI
|
HMC-ABH241
HMC-ABH241-SX
|
中等功率放大器芯片,50 - 66 GHz
|
現貨
|
249
|
THMC-ABH241應(ying)用
THMC-ABH241優勢和特點
-
輸出IP3: +25 dBm
-
P1dB: +17 dBm
-
增益: 24 dB
-
電源電壓: +5V
-
50 Ω匹配輸入/輸出
-
裸片尺寸: 3.2 x 1.42 x 0.1 mm
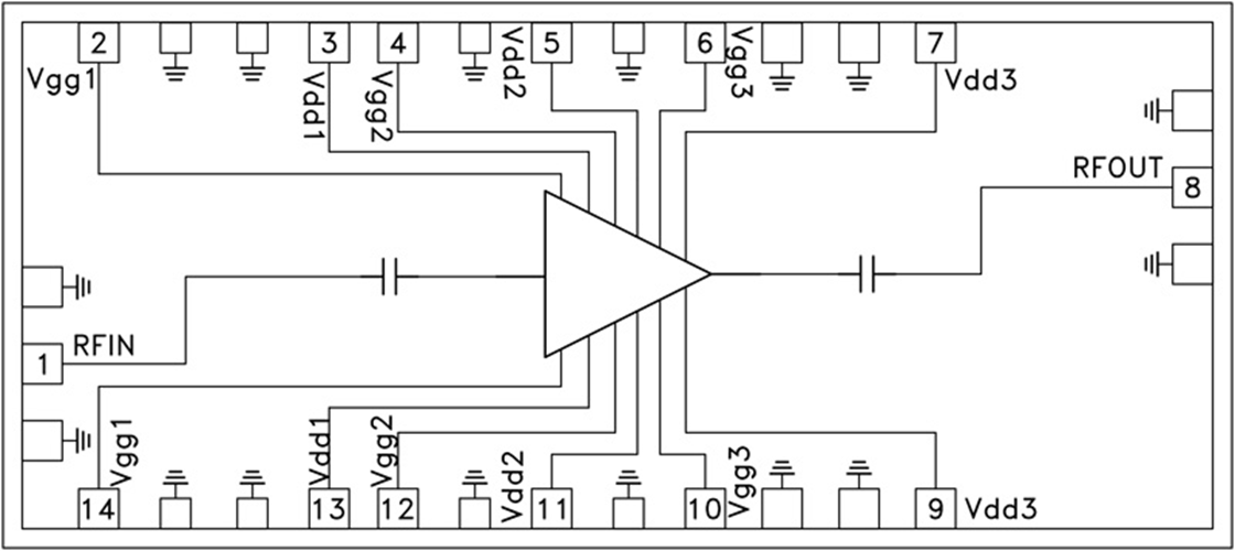
THMC-ABH241結構圖
