HMC468ALP3E移動寬帶3位GaAs IC數子衰減器 現貨平臺
上傳時(shi)長:2019-02-26 14:04:23 網頁瀏覽:1626
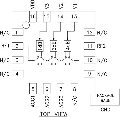
HMC468ALP3E一款寬帶網絡3位GaAs IC金額衰減器,選用低料工費無引腳外壁貼裝封裝。 在DC到6.0 GHz頻點下事情,放入消耗遠低于1 dB具代表性值,很高可達4 GHz。 衰減器位指標值1 (LSB)、2和4 dB,總衰減為7 dB。 衰減定位精度是高,具代表性步長確定誤差為±0.4 dB,IIP3為+55 dBm。 這幾個保持端電壓投入在0和+5V之間切換桌面,于采用每一個衰減動態。 需+5V的單獨一個Vdd偏置。
|
品牌
|
型號
|
貨期
|
庫存
|
|
ADI
|
HMC468ALP3E
|
1周
|
120
|
如若您需要購買HMC468ALP3E,請(qing)點擊右側客服聯系我們!!!
技術應用
-
蜂窩;UMTS/3G基礎設施
-
固定無線和WLL
-
微波無線電和VSAT
特(te)色和特(te)殊(shu)性
-
1 dB LSB步進至7 dB
-
高IP3: +55 dBm
-
誤碼率:±0.25 dB(典型值)
-
每位單個控制線路
-
+5V單電源
-
3x3 mm SMT封裝
構造圖

深圳市立維創展科技代理銷售ADI現貨產品,致力于為廣大客戶提供低價格、高質量、有保障的產品,提供優質的售前與售后服務技術。如您有任何產品需求以及服務請聯系我們客服人員,我們會再第一時間內為您解決問題。