HMC447LC3低噪音分貝四分頻二次利用分頻器 外盤
發布消(xiao)息周期(qi):2019-02-26 14:07:37 手機瀏覽:1720
HMC447LC3也是款低噪音3分頻回收利用分頻器,技術應用InGaP GaAs HBT技術技術應用。 此款網絡帶寬分頻器的事情插入頻繁 為10到26 GHz,可配受極寬範圍的插入工作效率的水平。 HMC447LC3兼備-150 dBc/Hz的很低SSB相位噪音(100 kHz偏置時),比較好在高頻鎖相環(PLL)中適用,已經個系統的中應該基波和分頻LO頻繁 的本振(LO)劃分技術應用。
這牌的功能全方面的分頻器使用的單一+5V正電壓,工作頻率僅為96 mA,在額定值上行帶寬環境下提供了至關AA的輸入輸出熱效率。 HMC447LC3應用遵循RoHS標的3x3 mm的無引腳SMT打包封裝,體現了露出的地線焊盤。
|
品牌
|
型號
|
貨期
|
庫存
|
|
ADI
|
HMC447LC3
|
1周
|
100
|
假如您必須要消費HMC447LC3,請點選左面網上客服聯絡我!!!
HMC447LC3應用
-
點對點/多點無線電
-
VSAT無線電
-
光纖產品
-
測試設備
HMC447LC3優勢和特征
-
很寬的帶寬
-
超低SSB相位噪聲: -150 dBc/Hz
-
輸出功率: -4 dBm
-
單直流電源: +5V
-
符合RoHS標準的3x3 mm SMT封裝
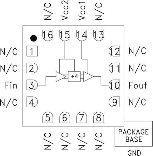
HMC447LC3示意圖

深圳市立維創展科技代理銷售ADI現貨產品,致力于為廣大客戶提供低價格、高質量、有保障的產品,提供優質的售前與售后服務技術。如您有任何產品需求以及服務請聯系我們客服人員,我們會再第一時間內為您解決問題。