HMC7441/HMC7441-SX一級GaAs pHEMT工作效率變大器 ADI現貨平臺代商
發(fa)布新聞時段:2018-06-21 15:39:47 查(cha)詢:2801
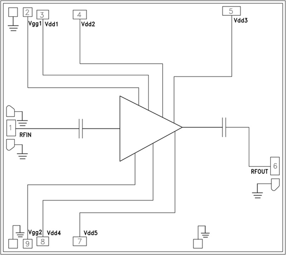
HMC7441也是款二級GaAs pHEMT馬力變大器,辦公次數的范圍為27.5至31 GHz。 該變大器的增益控制為23 dB,趨于穩定模擬輸入馬力為+34 dBm,PAE為25%,交流電源交流電壓為6V。 HMC7441供給+38 dBm的極其出色模擬輸入IP3功能,極其比較合適平滑應該用領域,詞有Ka頻段VSAT、高余量點對點通信或點對多方向wifi電——這些應該用領域追求都具有+34 dBm的高趨于穩定模擬輸入馬力。 RF I/O隔直并切換至50 Ω,行更方便集合到多IC單片機芯片包塊(MCM)中。 其他數據分析均采取50 Ω測試方法組合夾具設計中的IC單片機芯片精確測量,該組合夾具設計確認條直徑不低于為0.025mm (1 mil)、長寬為0.31 mm (12 mil)的焊線對接。
|
品牌
|
型號
|
描述
|
貨期
|
庫存
|
|
ADI
|
HMC7441
HMC7441-SX
|
GaAs pHEMT MMIC 2 W功率放大器,27.5 - 31 GHz
|
現貨
|
36
|
用途
-
點對點無線電
-
點對多點無線電
-
VSAT和SATCOM
-
軍事和太空
競爭優勢和(he)基本特征
-
飽和輸出功率:
++34 dBm (25% PAE)
-
高輸出IP3: +38 dBm
-
高增益: 23 dB
-
直流電源: +6V (1,000 mA)
-
無需外部匹配
-
芯片尺寸: 3.18 x 2.84 x 0.1 mm
構(gou)造圖(tu)
