業內容
上架時段:2025-08-28 15:04:32 查看:22
312-04SF是SOUTHWEST華(hua)南微波射頻(Southwest Microwave)精密機械級 N 型(xing)母頭(tou)活套法(fa)蘭裝置接(jie)連器,實使用(yong)于 DC–18 GHz 寬帶網3d場景(jing)。的外殼不(bu)銹(xiu)鋼圓管渡(du)金(jin)防蝕,管理中心導體鈹銅渡(du)金(jin),鼓勵 0.085" 半剛/柔(rou)電線(xian)(xian)。全頻段 VSWR ≤1.25:1,插損 <0.1dB(10GHz),最大功率 200W,耐低溫 -55°C 至 +165°C,500 次插拔相對穩定,能選氣密性芯片(pian)封裝,復合(he)軍標及航天(tian)工(gong)程部資(zi)格認(ren)證(zheng),適(shi)用(yong)到于航天(tian)工(gong)程部、相控陣(zhen)wifi天(tian)線(xian)(xian)等高不(bu)靠譜方(fang)向。
效果(guo)產品參數:
? 速度(du):DC–18 GHz
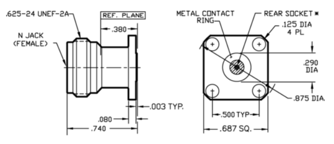
? 蝶閥法蘭:0.687" 方 4 孔放置
? 接納(na)中間針直經:0.036"
? VSWR:1.15:1(主要(yao)值)
? 攝氏度:-55 °C ~ +165 °C
? 自選(xuan)水密性打(da)包封裝(zhuang),遵循(xun) MIL-STD-348 音頻接口標
電氣(qi)開關(guan)穩定性:
額(e)定電壓駐波比(VSWR):直式(shi) ≤1.15(6 GHz 時),彎(wan)式(shi) ≤1.25(6 GHz 時)。
插進自(zi)然(ran)損(sun)耗(hao):≤0.24 dB(6 GHz 時)。
耐電(dian)阻:2500 V rms;的工(gong)作交流電(dian)壓:1000 V rms。
接(jie)處阻值:平臺接處內阻 ≤1 mΩ,外導(dao)體電容 ≤1 mΩ。
絕緣帶電阻(zu)器(qi):≥5000 MΩ。
機械化性能(neng)參數:
交叉耦合(he)方式方法:5/8-24 英制螺紋(wen)無線連接,確(que)定(ding)振動(dong)式工作環(huan)境下的安(an)全穩確(que)定(ding)。
控制力:≥6 lbs(服務(wu)中(zhong)心導體)。
機械設備制(zhi)造(zao)耐用(yong)度(du):≥500 次插(cha)拔(適用(yong)鈹銅觸及件(jian)時)。

工作環境(jing)轉變性:
耐(nai)侵(qin)蝕性:達(da)到(dao) MIL-STD-202 Method 101 細則。
產(chan)生振動:MIL-STD-202 Method 204 軟件測試借助。
形(xing)式與相關材料
表殼運用鋼和 CRES 錳(meng)鋼 UNS S30300,觸點開關用到鈹銅 (BeCu) UNS C17300。
介電產品(pin)為純 PTFE 氟碳的原材料,服務中心(xin)打交道馴服施用炎熱 Ultem 1000。
組織(zhi)形式:紫銅鍍鎳,單(dan)單(dan)從表面外理耐浸蝕。
心中針(zhen):紫銅鑲金(jin),保持低玩熱(re)敏電(dian)阻與(yu)反復(fu)插拔比較穩定(ding)度分析。
接地體(ti):聚四氟乙稀(xi)(PTFE)或聚家具甲醛(POM),低耗損、耐氣(qi)溫。
法蘭片盤:4 孔矩形設(she)置,孔距 0.531",兼容(rong)標 0.750" 方腔(qiang)或(huo)設(she)計印刷板。
接口標準(zhun)與瀏覽器(qi)兼容性(xing):
拼(pin)接器接口(kou)類型非常符合 MIL-STD-348 標(biao)準,具有著凹起(qi)重金屬接地(di)裝置環,構(gou)建(jian) 360° 復(fu)合與復(fu)合排斥(chi)。
可與(yu)另(ling)一遵循(xun) MIL-STD-348 的標準的徽(hui)波部件兼容(rong)。
app動(dong)畫場景
微(wei)波通信整體:
無線(xian)天線(xian)、通(tong)信基(ji)站、技能/主動通(tong)信基(ji)站零件。
廣播節目電子器(qi)(qi)材(cai)、WIFI 網(wang)(wang)路、服務器(qi)(qi)對服務器(qi)(qi)通信(xin)網(wang)(wang)絡。
工(gong)業制(zhi)造領域行業:
聲納(na)生產設(she)備、rf射頻消融調(diao)理(li)儀。
測評組合(he)夾具(ju)、高電率(lv)rf射頻(pin)版(ban)塊。
航空核工(gong)(gong)業核工(gong)(gong)業:
北(bei)斗衛星通(tong)信(xin)技術、相控陣外置天線系統軟(ruan)件(jian)。
擁有 NASA/ESA 釋(shi)氣(qi)證書(shu)規定要求。
相(xiang)應(ying)材質:
312-01SF、312-02SF、312-03SF 等,用(yong)戶名可要根據到底(di)消費需求挑選為宜的(de)款式(shi)。
蘇州市立維創展科技信息擁有著SOUTHWEST西南方微波射頻(pin)大局部形(xing)號帶(dai)來(lai)現貨平臺新產品,并配合帶(dai)來(lai)技術應用支(zhi)撐與售服(fu)服(fu)務(wu)的,歡迎詞聯(lian)系(xi)。