的行業新聞
上(shang)傳時(shi)間段:2025-08-22 16:35:39 瀏覽(lan)網(wang)頁(ye):7
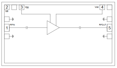
CMD298C4是(shi)Custom MMIC制定的1款Ku/K頻(pin)譜 GaAs MMIC 工作噪(zao)(zao)音小源擴大(da)器(LNA),便用 4 mm × 4 mm 無引線 QFN 表面(mian)能(neng)(neng)貼裝(zhuang)封裝(zhuang),更是(shi)要格外重視在(zai) 17-25 GHz 頻(pin)段體現不錯。CMD298C4以(yi)高頻(pin)率機械性能(neng)(neng)、低(di)的噪(zao)(zao)音、低(di)顯卡功耗和(he)小寸(cun)尺(chi) 為(wei)管理處優質,作為(wei)電子戰、衛星信(xin)號(hao)通訊設備、汽(qi)車(che)雷達和(he) 5G 直徑(jing)波等(deng)方向的不錯選。
根本完成指標
- 頻率(lv)空間:17 – 25 GHz(典(dian)例(li)優化網絡點(dian) 21 GHz)
- 增益(yi)控制(zhi):22 – 27.5 dB(明顯(xian) 27 dB)
- 嗓聲公式:1.4 – 2 dB(基本(ben)特征1.4 dB)
- 傳(chuan)輸 1 dB 縮減(jian)點 P1dB:8 –9dBm
- 傳輸三階截點 OIP3:≈19 dBm
- 額定值輸出(chu)功率:1.5 – 3.5 V(主要表現(xian) 3 V 單電(dian)源適配(pei)器)
- 任務(wu)交流電:19 – 35 mA(常見 27 mA)
- 輸入/工(gong)作輸出(chu)回波損失(shi):≥10dB
- 操作方法室內溫度:-40 °C 至 +85 °C
- 芯(xin)片封裝(zhuang):4 mm × 4 mm × 0.85 mm QFN,接觸(chu)面貼裝(zhuang),RoHS 兼容
評價指標板
Qorvo 同樣給出 CMD298C4-EVB 評價板(ban),可(ke)同時(shi)在17 – 25 GHz內(nei)對其進行(xing)的性能印(yin)證。

技巧結構特征
高(gao)頻(pin)率(lv)調優:涉及 21 GHz頻(pin)段提高(gao),平衡點增益值(zhi)、嗓聲和曲線(xian)度(du),使用 5G 厘(li)米波、網絡(luo)通(tong)信(xin)衛星(xing)網絡(luo)通(tong)信(xin)等低頻(pin)軟件(jian)。
低能耗開發:1.5 V至 3.5 V寬電(dian)壓電(dian)流區(qu)域(yu)和 27 mA低直流電(dian)壓耗用,廷長(chang)輕便式機(ji) 續航力。
集合化的設計(ji):50 Ω適(shi)應(ying)和室內直流(liu)電源抑制,變少外觀電子元(yuan)件數量(liang)統計(ji),減(jian)輕系統簡化性和直接服務費服務費。
高是(shi)真的嗎性:陶瓷廠家 QFN 封口提(ti)高出眾(zhong)導熱(re)性,適宜(yi)非常區域,拉(la)長(chang)選(xuan)用(yong)年限。
APP游戲場景
手(shou)機戰(EW)軟件:小尺(chi)寸(cun)和低額定功率形態(tai)使其成(cheng)電子技術偵查(cha)、打擾機器設(she)備的(de)佳取(qu)舍。
移動通訊衛星移動通訊(Satcom):涵蓋 Ku 波長和(he) K 光波,兼容快速路參(can)數接入和(he)帶寬聯接。
機載統計:高頻耐磨性和(he)低躁音公式提(ti)升統計檢測靈敏性度和(he)辯認率。
5G 直徑波溝通:適用(yong)于(yu) 24 GHz 以上的(de)頻段,兼容高帶寬起步、低(di)時間延遲的(de) 5G 軟件。
wifi手機網絡通訊和檢查(cha)設備:是接受器(qi)前(qian)沿變小器(qi),提高(gao)了(le)衛星信號接受質理(li)。
Qorvo是國外微波通信mm波領軍人物公司,帶來高條件的GaN/GaAs車輛,2020年使用Custom MMIC進行強(qiang)化技術水平(ping)優勢(shi)(shi),產(chan)品(pin)大范圍(wei)采用(yong)于軍(jun)品(pin)、國(guo)際航空(kong)核(he)工(gong)業、移動設施設備等領域行業(由(you)TriQuint與RFMD伴有(you)而成)。南京(jing)市立維創展高新科(ke)技擁有(you)的平(ping)穩的采購(gou)推廣方式,資源優勢(shi)(shi)供給Qorvo 瓷器裝封IC和裸集成塊的產(chan)品(pin),并非(fei)常多具(ju)有(you)現貨交易倉(cang)庫,認可詢問(wen)。