領域方式
發布的準確時間:2025-08-01 16:40:20 瀏覽訪問:71
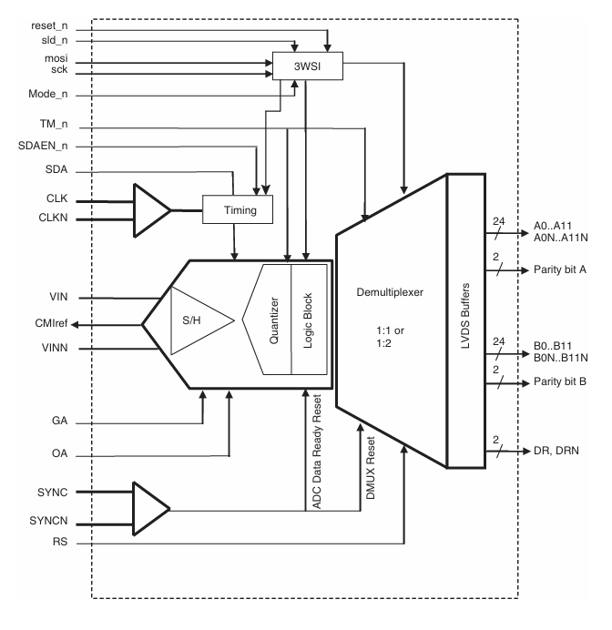
EV12AS200A的“抽樣網絡延時上下調整”性能存在論上是在 ADC 采集掛鐘文件目錄里加上一根可程序設計、步進驅動器 24 fs 的推遲了線(Delay Line)。使用亞皮秒級的用時位移,把有所有差異檢修通道或有所有差異處理器的采集沿拉到某個個相位系數,而把原有由鬧鐘傾斜、PCB 鋪線差、功率器件內壁孔的直徑顫動等造成 的系統相位偏差放低到 24 fs 重量級。
1. 相位粗差的源
? 掛鐘分布圖制作歪歪扭扭:多片 ADC 或 FPGA 推送端直接的接線寬度差、進行接插件公差、響應器延長的差異。
? 鉆孔大小跳動:ADC 組織結構監測旋轉開關訪問時而的時域震動。
? 熱漂移:工作溫度轉變造成的硅延長、視頻傳輸線表面電阻率轉變,使得相位漂移。
2. 稍微調一下延時線的的結構
電源芯片外部在采樣系統秒表放入(CLKP/CLKN)后來復制眼前這條數據管理的反相器鏈,每級網絡延時 ≈ 24 fs,共 127 級 ≈ 3 ps 調節器的范圍。經由 7-bit 寄存器(Delay_Trim[6:0])讀取,必須讓采集沿總布局延后或延后,伺服電機正是 24 fs。

3. 相位控制精度上升的小學數學社會關系
? 相對 1.5 GSPS、3.3 GHz 滿工作電壓網絡帶寬,24 fs 匹配相位誤差度 ≈ 2π × 3.3 GHz × 24 fs ≈ 0.5°。
? 在相控陣、波束確立或 I/Q 解調系統的中,區域間相位計算誤差每減小 1°,波束所指測量誤差可減慢 0.5°,旁瓣阻止提高了 3–6 dB;或使正交解調iso鏡像遏制從 40 dB 加快到 50 dB 以上內容。
? 24 fs 的伺服電機遠小于等于體系秒表跳動(典型性 100–200 fs RMS),于是可把“殘余物差值”壓進 1° 球以內,符合豪米波統計、光纖寬帶通信網絡對相位一直性的嚴酷追求。
4. 現實動用步驟
a. 上電后先讓所有IC芯片跑默許延長(0x00)。
b. 用外部結構進行校正源(列如 100 MHz 正弦函數或給定相位的網絡帶寬 chirp)同一釋放各渠道。
c. 經由 FPGA 計算每家過道的相位偏離 Δφ。
d. Δφ 換算成時段:Δt = Δφ / (2πf),再除 24 fs 取整,拷貝 Delay_Trim 寄存器。
e. 二次采樣系統印證,把殘留粗差壓到 < ±24 fs(即 < ±0.5°@3 GHz)。
5. 與其他“大數字插值”優于的好處
? 純虛擬仿真遲緩線不曾加數碼解決遲緩,也不是會傳入插值誤差度;
? 推遲了調低在 ADC 內部人員完工,FPGA 端免再做子取樣換一個位置,合理節省思想自然資源;
? 的溫度漂移可動態圖片拆遷補償:軟件可期性地去重復步湊 a-e,確保反饋控制相位跟蹤軟件。
西安立維創展信息技術是Teledyne E2V的經銷處商,注意供應者Teledyne E2V法向齒轉移器和半導體技術,多為客供應 Teledyne E2V全款型 DAC(含宇航級淘汰)的選擇、評估報告格式板及技巧兼容。售價勝機,認可詢問。