該行業房產資訊
發布了時刻:2025-04-10 16:05:53 打開網頁:380
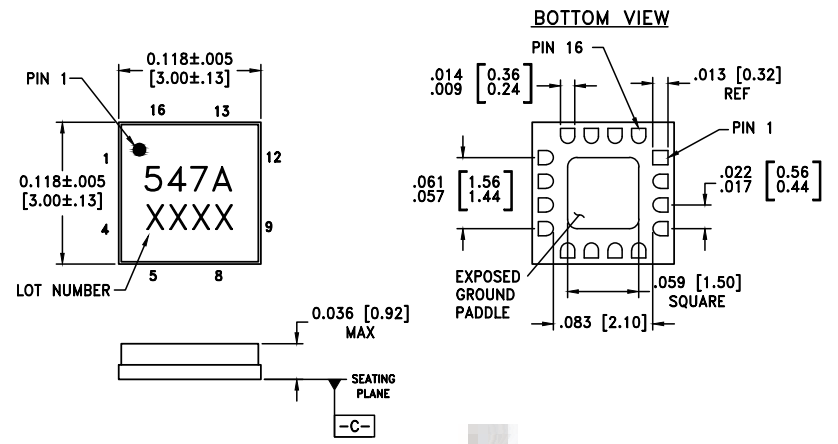
HMC547ALC3互通寬帶網絡高要進行隔離度非散射型GaAs pHEMT單刀雙擲(SPDT)控制開關,所采用適用工業制造規則的3mm×3mm無引腳工業陶瓷外壁貼裝封裝形式技術應用。HMC547ALC3業務頻段遮蓋整流(DC)至28.0 GHz,在全頻段領域內可改變遠遠高于40 dB的端口號防曬隔離霜度,同一時間提高放不足高于2 dB的良好效果指標圖。
其與眾不同的寬帶網絡性質、快設置程度及緊密的芯片封裝設定,使其成了美國軍事微電子戰/光電子反擊控制系統及精美等級檢測設配的非常理想解決方法方案格式。HMC547ALC3利用-5V/0V相輔相成負形式邏輯管控交流電壓制定方案,不能自己外鏈偏置外接電源就能達成安穩業務,可以有效簡易了系統性制定繁復度。

基本特征
高隔離開度:10 GHz時為45 dB
20 GHz時為39 dB
低導入損失:1.9 dB@10 GHz
2.2 dB@20 GHz
高效修改:6ns
非反光條設計制作
16芯陶瓷制品3x3mm SMT封裝:9mm2
舉例軟件應用
?光纖寬帶網絡和寬帶網絡中國電信
?微波通信遠程電和甚的小圓孔徑POS機
?警用無線網電、雷達探測和ECM
?測試分析儀器
廣州市立維創展科技創新是ADI的分銷系統商,重點供應增加器、波形護膚品、數據表格變為器、音頻播放護膚品、光纖寬帶護膚品、數字時鐘和定時任務IC、光纖寬帶流量成品、插口和連續、MEMS和感知器、主機電源和熱經管、凈化芯片組和DSP、頻射和組合圖形清理器、按鈕和重新分配器等,產品原版現貨平臺,價格的優勢,歡迎辭質詢。
上一篇: 高速模數轉換器ADC時鐘極性與啟動時間