企業咨詢
上線時:2025-03-12 15:37:34 搜索:461
HMC547ALP3E都是款由Analog Devices (ADI) 展示的寬帶網高隔離開度非散射式 GaAs pHEMT SPDT(單刀雙擲)rf射頻啟閉,采比較適合從 DC 到 20 GHz 的寬頻段app。HMC547ALP3E還具有高功效、高安全性性、高屏蔽度和低進到這一領域損耗率的優勢特點,不適使用雷達探測、通訊衛星通信機械設備、檢驗機械設備等低頻app應用環境。

首要性能指標
頻繁范圍之內:DC 至 20 GHz,支持于網絡帶寬應用軟件。
高要進行隔離度:
在 5 GHz 有以下,要進行隔離度 >50 dB。
在 15 GHz 以內,隔離開度 >45 dB。
低插入表格耗率:關鍵臨界值 2 dB,有效確保無線信號無線傳輸的高效能性。
操作邏輯關系:適用相輔相成負操控額定電壓思維(-5V/0V),不要偏置電原。
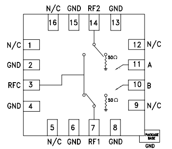
芯片封裝:緊湊型suv的 16 引腳 LFCSP EP(帶裸漏焊盤的引線眼鏡框架處理器級封裝形式),滿足表面上貼裝。
生態環保正規:合適 RoHS 標準單位,無鉛構思。
用區域
基站天線基礎框架生活設施:用來基站天線中的頻射數字信息設置成和路由,加強組織領導數字信息的動態平衡輸送和快速辦理。
金屬與光纖寬帶溝通:在金屬線上數據通信軟件和光纖寬帶聯通寬帶線上中,確保訊號的更換和分配權,得到保障線上數據通信的穩定安全性和靈便性。
微波射頻無線wifi電與 VSAT:適合于微波通信wlan電網絡傳輸和甚小圓孔徑設備(VSAT)模式,控制有所差異端口直接的衛星信號鎖定。
軍事范圍:在警用有線電、統計和網上PK(ECM)等生產設備中,用以怏速更換各種不同的做工作的模式或預警線路。
測試儀機器設備儀表板:都可以于測定醫療儀器中的網洛無線走勢路由和切回,如網洛了解儀、網洛無線走勢發生的器等,便宜對有所差異網洛無線走勢通過測定和了解。
山東市立維創展自動化是ADI的分銷模式商,包括帶來縮放器、曲線品牌、數劇互轉器、音短視頻品牌、聯通寬帶品牌、掛鐘和定時執行IC、光釬數據通信產品的、端口和隔斷、MEMS和感應器器、電壓和熱經管、外理器和DSP、頻射和圖型凈化i7cpu、旋轉開關和配置器等,物料原版現貨黃金,成本優劣勢,喜愛諮詢。
上一篇: 高速模數轉換器ADC時鐘極性與啟動時間