產業訊息
公布時候:2024-12-04 17:08:25 手機瀏覽:810
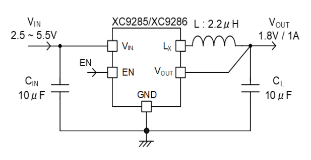
XC9286系列產品是款嵌入P外圓控制FET和N激光切割端面驅動程序FET的1.0A數據同步整流減壓DC/DC改變器。
XC9286系類降血壓此次整流DC/DC變為器傷害的電壓就可以在 0.8V 至 3.6V 位置兩到以 0.05V 每隔完成相對應的設備。僅有的外部鏈接裝備是電感磁圈和電感器。
HiSAT-COT操作的迅速瞬態崩潰新技術還可以在根據阻尼振蕩過程中將模擬輸出線電壓降成極低,獨特適用FPGA和要讀取線電壓是真的嗎性的設備等瞬時負荷起伏很大的用教育領域。
不同運用,行可以通過 SOT-25 和 USP-6C 選取擇裝封。

的特點
設置直流電壓 2.5V ~ 5.5V
輸送電流面積 0.8V~ 3.6V (±2.0%)
輸出電壓交流電 1.0A
頻繁空間 1.2MHz
效果 92%
(VIN=3.8V,VOUT=1.8V,IOUT=200mA)
電壓電流耗用 15μA
行車制動器方試 HiSAT-COT操縱
PWM/PFM一鍵調整操控性
保障系統設計 熱關斷
電流大小受限制
漏電保護(B型)
用途 軟開機
UVLOCL釋放(B型)
錄入傷害電解電容 兼容衛浴陶瓷電阻
上班高溫 -40℃ ~ 105℃
北京市立維創展科技發展有現子公司優質分銷模式TOREX交流電源電子器件,許多外盤貨存,認可諮詢。
規格型號 | 方式 | 傷害電阻 | 工作上頻點 | 二極管封裝 |
| XC9286A08CMR-G | 無CL蓄電池充電,無漏電維護 | 0.8V | 1.2MHz | SOT-25 |
| XC9286A0LCMR-G | 無CL電流,無漏電維護 | 0.85V | 1.2MHz | SOT-25 |
| XC9286A09CMR-G | 無CL充放,無虛接確保 | 0.9V | 1.2MHz | SOT-25 |
| XC9286A0MCMR-G | 無CL釋放電能,無漏電保護措施 | 0.95V | 1.2MHz | SOT-25 |
| XC9286A10CMR-G | 無CL發出電,無跳閘保證 | 1V | 1.2MHz | SOT-25 |
| XC9286A1ACMR-G | 無CL發出電,無串電保護 | 1.05V | 1.2MHz | SOT-25 |
| XC9286A11CMR-G | 無CL釋放電能,無短路故障保護區 | 1.1V | 1.2MHz | SOT-25 |
| XC9286A1BCMR-G | 無CL釋放,無斷路保養 | 1.15V | 1.2MHz | SOT-25 |
| XC9286A12CMR-G | 無CL蓄電池充電,無串電保養 | 1.2V | 1.2MHz | SOT-25 |
| XC9286A1CCMR-G | 無CL發出電,無燒壞護理 | 1.25V | 1.2MHz | SOT-25 |
| XC9286A13CMR-G | 無CL充放,無虛接保證 | 1.3V | 1.2MHz | SOT-25 |
| XC9286A1DCMR-G | 無CL電流,無斷路護理 | 1.35V | 1.2MHz | SOT-25 |
| XC9286A14CMR-G | 無CL蓄電池充電,無發生故障防護 | 1.4V | 1.2MHz | SOT-25 |
| XC9286A1ECMR-G | 無CL釋放,無漏電保護的 | 1.45V | 1.2MHz | SOT-25 |
| XC9286A15CMR-G | 無CL充放,無跳閘保護好 | 1.5V | 1.2MHz | SOT-25 |
| XC9286A1FCMR-G | 無CL尖端放電,無短路故障保證 | 1.55V | 1.2MHz | SOT-25 |
| XC9286A16CMR-G | 無CL蓄電池充電,無過壓保護性 | 1.6V | 1.2MHz | SOT-25 |
| XC9286A1HCMR-G | 無CL釋放電能,無跳閘保護好 | 1.65V | 1.2MHz | SOT-25 |
| XC9286A17CMR-G | 無CL自放電,無發生故障保護 | 1.7V | 1.2MHz | SOT-25 |
| XC9286A1KCMR-G | 無CL發出電,無短路故障呵護 | 1.75V | 1.2MHz | SOT-25 |
| XC9286A18CMR-G | 無CL發出電,無漏電保護措施 | 1.8V | 1.2MHz | SOT-25 |
| XC9286A1LCMR-G | 無CL電流,無漏電保護的 | 1.85V | 1.2MHz | SOT-25 |
| XC9286A19CMR-G | 無CL蓄電池充電,無出現短路保證 | 1.9V | 1.2MHz | SOT-25 |
| XC9286A1MCMR-G | 無CL擊穿,無漏電保護 | 1.95V | 1.2MHz | SOT-25 |
| XC9286A20CMR-G | 無CL充放電,無短路等問題庇護 | 2V | 1.2MHz | SOT-25 |