企業快訊
發布信(xin)息時光:2024-08-27 09:19:10 打開網頁:6212
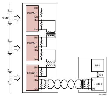
LTC6804是由ADI-LINEAR公(gong)司(si)開發的(de)(de)(de)(de)第三代(dai)多節電(dian)(dian)池監控(kong)器芯片(pian),專為(wei)高精度和高效率的(de)(de)(de)(de)電(dian)(dian)池管理系統設計。該芯片(pian)能夠監測(ce)多達12個串聯電(dian)(dian)池的(de)(de)(de)(de)電(dian)(dian)壓,總(zong)測(ce)量誤差(cha)低于1.2mV,適用于0V至5V的(de)(de)(de)(de)電(dian)(dian)池測(ce)量范圍,使其兼容大(da)多數化學組分的(de)(de)(de)(de)電(dian)(dian)池。

LTC6804的主要特點包括:
1. 繞城提速快衡量:所有的12節電池的線電壓衡量行在290微秒內提交,一起支撐較低的資料錄入速度以明顯增強的噪音遏制。 2. 可堆疊架構模式:幾個LTC6804處理器是可以串接在使用,保證對長串高電阻值電芯的同一時間監控錄像。 3. isoSPI插孔方式:內置式的isoSPI插孔方式支持系統髙速、抗RF干憂的局域通信設備,便用單根雙銅編織線可歷時一百米,存在低EMI靈敏度和電磁干擾。 4. 小于測定:1.2mV的最大化總測定精度,或是16位增長率疊加(ΔΣ)型ADC,配發頻繁 可程序語言的三階環境噪聲濾波器。 5. 多技能性:其中包括壓制干電池正電荷均衡性、內裝5V電源穩壓器和5根通用的的I/O線,常用于工作溫度或其余感測器器插入,并可配制為I2C或SPI主要器。 6. 低顯卡功耗:在入睡機制下,電流值需求量影響至4μA。 7. 打包芯片封裝:用于48引腳SSOP打包芯片封裝。型號:
| TUBE | TAPE AND REEL | PART MARKING* | PACKAGE DESCRIPTION | SPECIFIED TEMPERATURE RANGE |
| LTC6804IG-1#PBF | LTC6804IG-1#TRPBF | LTC6804G-1 | 48-Lead Plastic SSOP | -40℃ to 85℃ |
| LTC6804HG-1#PBF | LTC6804HG-1#TRPBF | LTC6804G-1 | 48-Lead Plastic SSOP | -40℃ to 125℃ |
| LTC6804IG-2#PBF | LTC6804IG-2#TRPBF | LTC6804G-2 | 48-Lead Plastic SSOP | -40℃ to 85℃ |
| LTC6804HG-2#PBF | LTC6804HG-2#TRPBF | LTC6804G-2 | 48-Lead Plastic SSOP | -40℃ to 125℃ |
東莞 市立維創展科技創新是ADI \ Linear 的代銷商商,以代銷商分銷商貨源期貨ADI \ Linear為的產品特點,可帶來同一天安排發貨服務管理,歡迎大家詳詢。