制造行業房產資訊
分(fen)享時刻:2024-02-26 17:17:51 查詢:1230
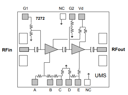
UMS的CHA2066-99F是款多級網絡帶寬單支低躁聲拖動器。
CHA2066-99F運(yun)用標(biao)準的HEMT工(gong)藝科(ke)技(ji)科(ke)技(ji):0.25um柵極長寬(kuan)高、橫穿基材(cai)的螺孔、熱空(kong)氣(qi)橋和電子器(qi)件束柵幻影(ying)刻技(ji)木(mu)。
CHA2066-99F以處理芯片方法給(gei)予。

包括結構特征
移動(dong)寬帶功(gong)能10-16GHZ
2.0db相位(wei)低(di)頻噪音,10-16GHZ
16db增(zeng)加收(shou)益(yi)值,+0.5db增(zeng)益(yi)值值光滑整潔度
低直流電的(de)功能損失,50MA
20dbm三階截距點
芯片(pian)封(feng)裝圖(tu)片(pian)尺(chi)寸:1.52 x 1.08 x 0.1mm
長沙市立維創(chuang)展自動化比較有限平臺授權使用經銷商UMS微波加熱,針對性部件主(zhu)要參數的(de)UMS的(de)食品(pin)給出質優的(de)外盤的(de)食品(pin)貨(huo)存,迎接咨詢中心。