制造業訊息
發表準確時間:2024-01-12 16:59:19 瀏覽記錄:1198
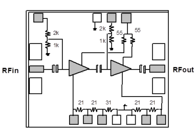
CHA2063A99F是款兩極帶寬片式低背景噪聲增加器。
CHA2063A99F以(yi)集(ji)成塊結(jie)構類型(xing)出售。電源(yuan)開(kai)關電源(yuan)線(xian)路選則PHEMT生產加工技藝,0.25um柵(zha)極(ji)圖片(pian)尺寸,橫穿柔性板的通孔(kong),氣流橋(qiao)和光學束門光刻(ke)技術工藝。
CHA2063A99F有IC芯(xin)片樣式。

重要的特點
帶寬機械性能7-13GHZ
2.0db環境(jing)噪聲(sheng)公式,8-13GHZ
19db增(zeng)加收益值
低直流變(bian)壓器系統耗損率,40MA
18dbm三(san)階截距點
封裝尺寸(cun)大(da)小:1.52x1.27x0.1mm