相關行業新聞資訊
發表準(zhun)確時間:2023-11-24 17:19:34 網頁瀏覽:925
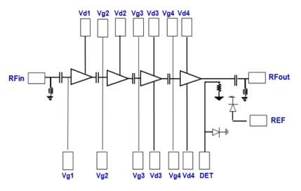
CHA6653-98F是款四六級單面Gaas高工作功率調大器,要造成1.8w的輸出工作電壓。CHA6653-98F是間距線性網絡的,享有增加收益抑制能力,并集成型化電率判斷器。涉及ESD保護。
CHA6653-98F專為聯通(tong)寬帶APP需求分析制定。
CHA6653-98F配(pei)用PHEMT工序技術設備,柵極尺碼為0.15um。

包括有特點
移動寬帶特(te)點:27-34GHZ
32dbm飽滿輸(shu)出
38dbmOIP3
23db收(shou)獲值
電(dian)流(liu)電(dian)偏置電(dian)流(liu)電(dian)壓:Vd=6伏ldq=0.9A
封裝(zhuang)類(lei)型外(wai)形尺寸3.61x3.46x0.07mm