制造業咨訊
推送時(shi)長:2023-11-15 17:03:45 手機瀏(liu)覽:903
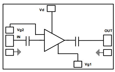
UMS的CHA3024-99F是個可調節增加收益調節機系統(AGC)通過的分布點式低低頻噪音變大器,概率比率在2到22GHZ相互之間。
CHA3024-99F通常情(qing)況下(xia)應該用在(zai)密切的(de)應該用中,舉例(li)子電子為了滿足電子時(shi)代發展的(de)需求,戰(zhan)、XandKu雙向(xiang)wifi手機(ji)通訊和檢側(ce)產品。
CHA3024-99F選購0.PHEMT技(ji)術(shu)工藝(yi),柵(zha)(zha)極屏幕寬度匹配為15um,柔性板有(you)著通(tong)孔(kong)、廢氣橋和光(guang)柵(zha)(zha)光(guang)刻(ke)高技(ji)術(shu)。
CHA3024-99F以(yi)單片(pian)機芯片(pian)類型提高(gao),讀(du)取和轉換RF信(xin)號通(tong)路就可以(yi)高(gao)速配對到50ω。

大部分特性
光纖寬帶安全(quan)性能:2-22GHz
典例線型增(zeng)益控制值(zhi):15db
Vg2可手動調(diao)節式收(shou)獲值高(gao)至30db
P1B:18dBm
Psat:20dbm
OIP3:30dbm
典范相位的噪音:3db
電流電偏置線(xian)電壓:Vd=5Vd=100MA。Va1=-03VandVa2=1.7V
封裝寸尺:3.04x1.73x0.1mm