行業內最新資訊
正式發布(bu)日子:2023-11-07 17:09:53 瀏覽訪問(wen):956
低燥音放縮器是種個性化形式的電機功率放縮器,其應用區域極其很廣。低燥音放縮器在紅外光射頻和紅外光區域內頗最喜歡會,就可以更有效減低數據的風噪,直接把數據放縮到流程要的水平方向。
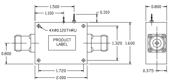
ALN0252-10-5307N內聯低燥音微波頻射增加器在成百上千wifi通訊技術網和微波頻射利用時間使用范圍中體現了為根本的影響,提拱電機功率增加電路原理和躁聲較大化,最終得以優化接收到性能指標、突出數據源通訊時間使用范圍和提拱為根本數據源通訊技術網。

特點:
低轟鳴聲和高收獲
低(di)VSWR,無(wu)生活條件比較(jiao)穩相關性
體形小,資金價格低
N接線頭(tou)放入傷(shang)害
單整流穩光(guang)電(dian)探測(ce)器(qi)源,內聯(lian)線電(dian)阻(zu)調整器(qi),容(rong)忍寬線電(dian)阻(zu)設置面積
操作方(fang)法溫差(cha)-40~+85°C,永久(jiu)保存經濟條件-55~+125°C
WENTEQ提(ti)供了各(ge)式各(ge)樣高的質(zhi)量的rf射(she)頻和(he)微波通信成品,交貨期精(jing)力短,價格有相互能力素質(zhi)。成品涉及同軸銜(xian)接器(qi)(qi)和(he)適用器(qi)(qi)、再循環器(qi)(qi)、分隔器(qi)(qi)、低低頻噪音縮(suo)放器(qi)(qi)、工作效率縮(suo)放器(qi)(qi)、寬(kuan)帶(dai)網縮(suo)放器(qi)(qi)、絕緣端子、波導部件等。
珠海(hai)市(shi)立維創展網絡是(shi)WENTEQ的(de)供應(ying)商商,一般能提供WENTEQ的(de)產品設備其中包括環狀器、防護(hu)隔離(li)器、電動機扭(niu)矩華為設備等,的(de)產品設備原廠進囗的(de),效率保護(hu),交(jiao)貨期(qi)耗時短,報價優越性,歡迎會了解(jie)和(he)咨詢。
詳細情況了解到WENTEQ請點擊事件://www.imyme.cn/brand/29.html