服務業資訊新聞
分享時期(qi):2023-10-30 17:06:29 挑選:848
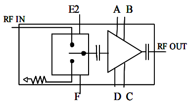
UMS的CHA3511-99F由單刀單通(SPST)電開關和后接單級行波放縮器團體而成。CHA3511-99F著力推進于國防軍事現代科技、出海戰艦或航班產品廣泛應用所需設計構思。CHA3511-99F的背面時候微波rf射頻rf射頻和直流電保護接地。這重要于升級優化裝置時候。
CHA3511-99F適用Powerp HEMT工藝設計技術水平、0.25μm柵(zha)極總長(chang)度(du)、蓋過基鋼板的(de)通(tong)孔、空氣的(de)橋和電子(zi)廠束柵(zha)星空刻(ke)技術自(zi)制(zhi)。
CHA3511-99F以集成ic主要形式供應。

一般的特征
聯通寬帶網:6-18GHz
16db增加收益值
39db隔開
22dbm飽(bao)合(he)輸出的馬(ma)力
電流電功能模塊消(xiao)耗,190MA@4.5V
封(feng)裝長度:3.55x2.30x01mm
UMS紅外(wai)(wai)光用作(zuo)英(ying)國厘(li)米波處(chu)(chu)理芯片(pian)的(de)(de)代表人項目(mu)(mu)(mu),在芬蘭和瑞士設備(bei)有流(liu)通業(ye)產業(ye)園區。UMS在全球(qiu)最大范疇內中(zhong)檔app市(shi)場占據不(bu)可方式的(de)(de)戰略(lve)地位。UMS展示(shi) 因為(wei)ASIC或(huo)分類目(mu)(mu)(mu)錄(lu)好產品的(de)(de)綜(zong)合(he)價目(mu)(mu)(mu),主耍對于集(ji)團(tuan)公(gong)司外(wai)(wai)部(bu)的(de)(de)III-V水平(ping),并(bing)展示(shi) 全部(bu)的(de)(de)補充協議品牌,使(shi)(shi)用戶還可以會使(shi)(shi)用本人的(de)(de)品牌處(chu)(chu)理好改善(shan)。從電(dian)流(liu)電(dian)到(dao)100GHz的(de)(de)UMS文件好產品均源于GaAs、Gan、SiGe工藝,還有更是(shi)高達200W的(de)(de)效率調小器、混合(he)式4g信號基本功能(neng)、超高的(de)(de)噪音調小器和全面的(de)(de)傳輸(shu)器程序(xu)。UMS成品以注塑模具(ju)樣(yang)式具(ju)備(bei),但(dan)普遍以多集(ji)成ic模快的(de)(de)樣(yang)式裝封。
北(bei)京市立(li)維創(chuang)展(zhan)科(ke)學不足公(gong)司(si)是UMS的(de)(de)代(dai)辦商,正規(gui)為(wei)wifi流量工(gong)作、航空工(gong)業(ye)基站(zhan)天線、國(guo)防安全、新汽(qi)車(che)、ism等的(de)(de)行業(ye)供應(ying)高可(ke)以信賴性頻(pin)射微波加熱亳米(mi)波器(qi)材及(ji)結(jie)合用電(dian)線路(lu)。UMS廠品使(shi)用QFN和合金模具標(biao)簽印刷,到交期短,價優(you)缺點的(de)(de)難忘。立(li)維創(chuang)展(zhan)存(cun)留些許技(ji)術參數UMS類產品存(cun)儲。迎接咨詢公(gong)司(si)。
內容認知UMS請雙擊://www.imyme.cn/brand/36.html