這個行業訊息
發部時候(hou):2023-10-25 17:07:43 訪問 :994
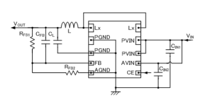
TOREX的XC9242一系列是要能相關的瓷磚電感,植入0.11Ω(TYP.)P激光切割端面MOS驅動器晶胞管及0.12Ω(TYP.)N橫截MOS旋鈕氯化鈉晶體管的穩壓同歩整流DC/DC轉型器。XC9242系列產品DC/DC更換器縮減置于晶胞管的導通阻值,能有生產率率,可靠的保證最快2.0A的轉換瞬時電流。運行頻繁區域在2.7V~6.0V,完成主觀能動性0.8V(±2.0%)的標準電流源,用外接電容能隨意的從0.9V設有輸入電壓電流。
XC9242(PWM操作)都可(ke)以選澤1.2MHz和2.4MHz的開關按鈕規律。軟(ruan)運行精(jing)力在1ms(TYP.),達到快速(su)的進入(ru)設置(zhi)。更(geng)高(gao)約束工(gong)作電流(liu)為4.0A(TYP.),能(neng)適用于(yu)高(gao)端電壓的選用。
XC9242全系列DC/DC換(huan)算器在待機(ji)時會把自然損耗工作電(dian)流(liu)操(cao)作在1.0μA一些。在待機(ji)時,由CL髙速釋放電(dian)能耐(nai)熱性使(shi)LX-VSS區(qu)間(jian)內(nei)的(de)格局按(an)鈕開(kai)(kai)關導通,采用政治意識(shi)電(dian)阻(zu)器使(shi)CL的(de)電(dian)荷量自放電(dian)。這能在待機(ji)時規避(bi)中(zhong)后(hou)期電(dian)源開(kai)(kai)關的(de)不對操(cao)作方法。XC9242產品系列DC/DC轉為器原(yuan)機(ji)UVLO(進入(ru)欠壓開(kai)(kai)關Under Voltage Lock Out)使用性能,在(zai)發送電壓值超(chao)過2.4V(TYP.)時(shi),禁止(zhi)地中(zhong)止(zhi)內部(bu)結構驅動器氯化鈉晶體(ti)管工作。

有(you)特點
置入驅動(dong)(dong)軟件器(qi):0.11Ω(TYP.)P-chwin7驅動(dong)(dong)結晶管.,0.12Ω(TYP.)置于N-ch驅動(dong)(dong)下載器(qi)
輸出電壓(ya)值的范圍:2.7V~6.0V
工作輸出工作電(dian)壓范疇:0.9V~VIN
FB的(de)電壓:0.8V±2.0%
高轉成使用率:95%(TYP.)
模擬(ni)輸出交(jiao)流電:2.0A
平率范疇:1.2MHz±15%,2.4MHz±15%
極高占空比(bi):100%
使用性能:帶軟開機啟(qi)動,CL定時充放,束縛直(zhi)流電(電腦(nao)自動復歸),起熱關斷,UVLO
輸出精度電容(rong)器(電容(rong)器器):瓷磚(zhuan)電容(rong)器(電容(rong)器器)
汽車制動方(fang)試:PWM緊固操作(zuo)
濕度依(yi)據(ju):-40℃~+85℃
適應性環保性的規定:與EURoHS型號應當、無鉛化
TOREX半導其主要提高COMS、調節器(qi)器(qi)、穩壓管等元器(qi)件,軟件以小占地、的性能(neng)桌越而著(zhu)明。
鄭州市(shi)立(li)維創展自(zi)動化(hua)是有限(xian)的企業,優勢可言電商分銷TOREX電電子器件,巨大現貨(huo)交易庫(ku)存(cun)商品,認可協(xie)作(zuo)。
詳情介紹掌握TOREX請點擊事件://www.imyme.cn/brand/62.html
應用 | 借(jie)鑒電壓降 | 工作中規律 | 封裝形式(shi) |
XC9242B08CDR-G | 0.8V | 1.2MHz | USP-10B |
XC9242B08DDR-G | 0.8V | 2.4MHz | USP-10B |
上一篇: AC-DC電源模塊_AC-DC轉換器——PICO電源模塊
下一篇: ?DELTA工業電源