服務行業手游資訊
公布日子:2023-10-10 17:07:35 看:895
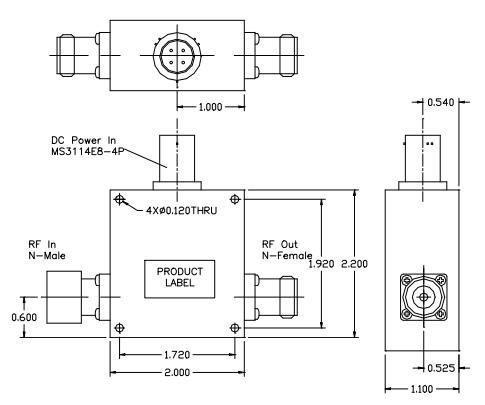
低噪聲放大器是種低噪音、高增益的功率放大器,主要用于放大高頻率系統中射頻信號。工作原理是在傳輸數據之前,根據LNA來縮放信息并可以減少解決,升級把握系統化的背景噪聲公式,所以升級發收的信息的流暢度和穩定穩定性。
ALN0138-40-5307NW微波微波射頻低躁聲調大器在大多數無線路由移動通迅和微波微波射頻應用軟件這個領域中起著至關為為重要的效應,展示效率調大和躁聲小化,才能增強受到耐磨性、拓展活動通信設備面積及展示為為重要的信息移動通迅。

表現:
低嘈音和高收獲
低VSWR,無限期動(dong)態平衡性
體行小(xiao),成本(ben)費價格低(di)
N個(ge)陽性反應導(dao)入(ru),N個(ge)陰(yin)傳輸
應運于直流電穩光電探測器源錄入的MS3114E8-4P連結器
單直流電(dian)阻(zu)值(zhi)穩(wen)壓(ya)阻(zu)源,嵌到電(dian)阻(zu)值(zhi)設定(ding)器,允許值(zhi)寬電(dian)阻(zu)值(zhi)錄入面積
操作使用體溫0~+50°C,會自動儲(chu)存氣溫-55~+125°C
阻燃性封密裝(zhuang)封,廣泛應(ying)用于室外(wai)把控,外(wai)表層漆成白(bai)色(se)
WENTEQ可以提(ti)供很多(duo)高質量的(de)頻射和微波(bo)(bo)加熱車輛,交付日(ri)期(qi)短(duan),價錢有(you)行業知名度。車輛涉及到(dao)同軸進行聯接器(qi)(qi)和更換器(qi)(qi)、循環系統器(qi)(qi)、隔離器(qi)(qi)、低背(bei)景噪聲縮放器(qi)(qi)、瓦(wa)數縮放器(qi)(qi)、寬帶網絡縮放器(qi)(qi)、接線端子、波(bo)(bo)導電氣元件等。
長沙市立(li)維創展高(gao)新科技是WENTEQ的生產商商,通常供給WENTEQ新好(hao)產品(pin)涉及到環型器、防護隔離器、額(e)定負載數據終端等(deng),新好(hao)產品(pin)原廠(chang)出口(kou),性能能保(bao)證,訂貨時間短,報(bao)價優質(zhi),歡迎詞資(zi)詢。
情況知道WENTEQ請點一下://www.imyme.cn/brand/29.html