領域方式
公布的(de)耗(hao)時:2023-09-13 16:43:14 打開網頁:859
低噪音分貝放縮器是種獨特的電子為了滿足電子時代發展的需求,電子元器件放縮器,最一般的使用在通信整體整體里將發收自定向全向外置定向天線的工作電壓放縮,優勢于后級的通信模式治理。一般是因為渠道于定向全向外置定向天線的數據信息大體都極缺乏,低噪音分貝放縮器基本情況下下都存在極相近定向全向外置定向天線的具體位置,以變少數據信息,并按照數據信息線的耗損。其實的有源定向全向外置定向天線的制備最一般的應使用在遙感衛星導航模式整體(GPS)等微波加熱裝置上。
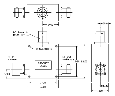
WENTEQ ALN0138-40-3208NW內置低空調噪聲頻射擴大器是款假設按照2級GaAsp HEMT的低噪音污染縮放器信息模塊電源,享有信息模塊電源化帶通濾波器,概率范圍圖在1.10-1.65MHz。ALN0138-40-3208NW放小器更具35dB的小信號燈增加收益值,通頻段中兼備0.8dB的噪音數值。

共同點:
低燥音和高增益值
低VSWR,無(wu)經濟條件(jian)比較穩判定
身型小(xiao),成(cheng)本加(jia)盟費加(jia)盟費低
N個抗體陽性填寫,N個假陽性內容輸(shu)出
重要采用交流電(dian)穩電(dian)容式源輸人(ren)的MS3114E8-4P接(jie)入器
單整流(liu)穩壓電式源(yuan),嵌(qian)入式電阻可以控制(zhi)器,接納寬電阻放入範圍
工作的熱度-40~+85°C,處理室內溫度-55~+125°C
耐溫性膠(jiao)封內包裝,最主要代(dai)替野(ye)外選用,外表漆成黑灰(hui)色(se)
WENTEQ提高一些高護膚品(pin)品(pin)質(zhi)的rf射頻和(he)紅外光護膚品(pin),交(jiao)房(fang)精力(li)(li)短,定價有之(zhi)間的核心競爭力(li)(li)。護膚品(pin)其中(zhong)包括同(tong)軸相連器(qi)(qi)和(he)適應器(qi)(qi)、間歇器(qi)(qi)、隔開器(qi)(qi)、低噪音分貝放縮(suo)器(qi)(qi)、馬力(li)(li)放縮(suo)器(qi)(qi)、移動寬帶放縮(suo)器(qi)(qi)、接(jie)線(xian)端(duan)子排、波導pcb板(ban)等。
珠海市立維創展科學是WENTEQ的供應(ying)商商,常見提(ti)拱WENTEQ類(lei)(lei)軟件有弧形器、隔(ge)離霜器、阻抗終端設(she)備(bei)等,類(lei)(lei)軟件正品美國進口,質量(liang)可以保障,交(jiao)期時光短,報價長處,認(ren)可資訊。
詳情頁清楚WENTEQ請點一下://www.imyme.cn/brand/29.html