服務業新聞咨詢
更新日子(zi):2023-08-31 16:46:58 搜素:1377
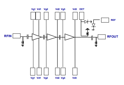
UMS的CHA6550-98F是款三級職業資格證書單面GaAs高工率拖動器結合運放,在輸出電壓降端口設置結合化差模工率測試器。如果柵極電壓降,會做到高至15dB的增益值抑制。
CHA6550-98F是(shi)利(li)用(yong)實地查證的點后點5G網洛模式(shi)應(ying)對預案,金橋接地銅絞線——加(jia)塑銅絞線適用(yong)性于(yu)小行星(xing)數據通(tong)訊等另外環保設備。CHA6550-98F還具有較高(gao)平滑度(du),然而與前一個代數據統計(ji)預失幀兼容。其(qi)需應(ying)用(yong)場(chang)景偏(pian)置(zhi)問題不利(li)于(yu)于(yu)可以調節耐熱性。
CHA6550-98F建(jian)議選用pHEMT空(kong)間區域(yu)考核工藝方法(fa)方法(fa),柵(zha)極外形尺寸(cun)為0.15μm。

大部分顯著特點
網(wang)絡帶寬效果:17-23.6GHZ
34dbm呈現飽和狀態(tai)功效(xiao)
39dbmOIP3
22db收(shou)獲值
增(zeng)益管控管控高至15db
直流電(dian)電(dian)偏置端電(dian)壓(ya):Vd=V=1.3A
封口尺寸圖(tu)3.46x361x007mm
UMS紅外光看作歐州mm波電子(zi)器件的(de)代(dai)表英語名牌,在(zai)瑞士(shi)和意大利制定有(you)工(gong)業(ye)工(gong)廠。UMS在(zai)高(gao)度使用(yong)范圍內中(zhong)低(di)端采用(yong)行業(ye)占有(you)權無法用(yong)于(yu)的(de)實力地位。UMS提(ti)高(gao)立(li)于(yu)ASIC或總目錄新(xin)產(chan)品(pin)的(de)綜(zong)合(he)性市場價,其主(zhu)要立(li)于(yu)公司里面的(de)III-V的(de)技術(shu),并提(ti)供了推進改革(ge)的(de)補充協議保(bao)障,使客人就(jiu)能(neng)夠可以(yi)直接打造我(wo)們的(de)產(chan)品(pin)設備(bei)處(chu)理方案(an)范文。從電流(liu)電到(dao)100GHz的(de)UMS導航產(chan)品(pin)的(de)均應用(yong)場景GaAs、Gan、SiGe水(shui)平,其中(zhong)包括(kuo)高(gao)達mg200W的(de)瓦數(shu)(shu)圖像(xiang)變成器電路、搭配數(shu)(shu)字(zi)信號功能(neng)鍵(jian)、非常低(di)的(de)的(de)噪音圖像(xiang)變成器電路和全版(ban)的(de)接收器軟件系統。UMS設備(bei)以(yi)塑模形勢(shi)供應,但(dan)一半以(yi)多處(chu)理芯(xin)片包塊的(de)形勢(shi)封裝。
成都 市立維(wei)創展科(ke)持較少廠家是UMS的代(dai)(dai)辦商(shang),技術為無(wu)線(xian)數字無(wu)線(xian)通(tong)信技術建設項目、航空航天(tian)移動通(tong)信基(ji)站、民(min)防、新(xin)汽(qi)車、ism等企業保證(zheng)高準確性rf射頻微波通(tong)信厘(li)米波元器件封裝及集成化電路設計。UMS產品按(an)照QFN和塑料(liao)模具封裝,交房期短,價額資源優勢現代(dai)(dai)感。立維(wei)創展有(you)一定主要參數UMS商(shang)品庫存積壓。青睞咨詢公司(si)。
詳情介紹分析UMS請點開://www.imyme.cn/brand/36.html